Запчасти Case 40BLC (358) - TOOL GRINDER, (USED WITH ROTARY CUTTER) (18) - ATTACHMENT ACCESSORIES

Схема запчастей Case 40BLC - (358) - TOOL GRINDER, (USED WITH ROTARY CUTTER) (18) - ATTACHMENT ACCESSORIES
FIT
1:1
100%

Артикул

Название

Примечание

Количество

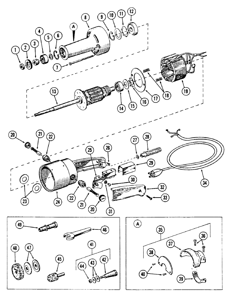
S229074

GRINDER, tool - (With extension arbor)

1шт.

1

S110196

NUT, spindle

1шт.

2

S110197

CAP, bearing

1шт.

3

S110198

SPACER, bearing

1шт.

4

S110199

BEARING, plain end

1шт.

5

S110200

WASHER

1шт.

6

S110201

RING, retaining

1шт.

7

S110202

SCREW, housing

2шт.

8

S233262

HOUSING, plain end

1шт.

9

S110203

RING, retaining

1шт.

10

S110204

WASHER

1шт.

11

S110205

SPRING, flat

1шт.

12

S110206

BEARING, center ball

1шт.

13

S233263

ARMATURE ASSEMBLY, 115 volts

1шт.

14

S110207

BEARING, ball - (Brush end)

1шт.

15

S110208

WASHER

1шт.

16

S110209

SPRING, flat

1шт.

17

S110210

PLATE, baffle

1шт.

18

S110211

SPACER, field

2шт.

19

S233264

FIELD ASSEMBLY

1шт.

20

S110213

PLUG, brush - (Must be replaced in pairs)

2шт.

21

S233266

CARBON BRUSH ASSEMBLY - (Must be replaced in pairs)

2шт.

22

S110214

HOLDER, brush - (Must be replaced in pairs)

2шт.

23

S110212

WASHER, fiber

2шт.

24

S223265

HOUSING, brush end

1шт.

25

S110216

SWITCH

1шт.

26

S110215

SCREW, ground

1шт.

27

S110222

RING, strain relief

1шт.

28

S110223

GUARD, cord

1шт.

29

S110219

INSULATOR, switch

1шт.

30

S110218

SCREW, switch

1шт.

31

S110217

WASHER, lock

1шт.

32

S110220

COVER

1шт.

33

S110221

SCREW, handle

2шт.

34

S233267

CORD ASSEMBLY

1шт.

35

S223268

WHEEL GUARD ASSEMBLY

1шт.

36

S110226

SCREW, wheel guard

2шт.

37

S110225

GUARD, wheel

1шт.

38

S110228

PLATE, face

1шт.

39

S110229

SCREW, face plate

2шт.

40

S110227

CLAMP, wheel guard

1шт.

41

S223269

WHEEL ARBOR ASSEMBLY

1шт.

42

S100236

ARBOR, wheel

1шт.

43

S110235

COLLAR

wheel

2шт.

44

S110234

NUT

arbor

1шт.

45

S110231

WHEEL

mounted

1шт.

46

S110224

TOOL

WRENCH

2шт.

47

S110232

COLLAR

wheel

2шт.

48

S110230

WHEEL, grinding

1шт.

49

S110233

HOLDER

CHUCK, 1/4" capacity

1шт.

Выбрано товаров: 50