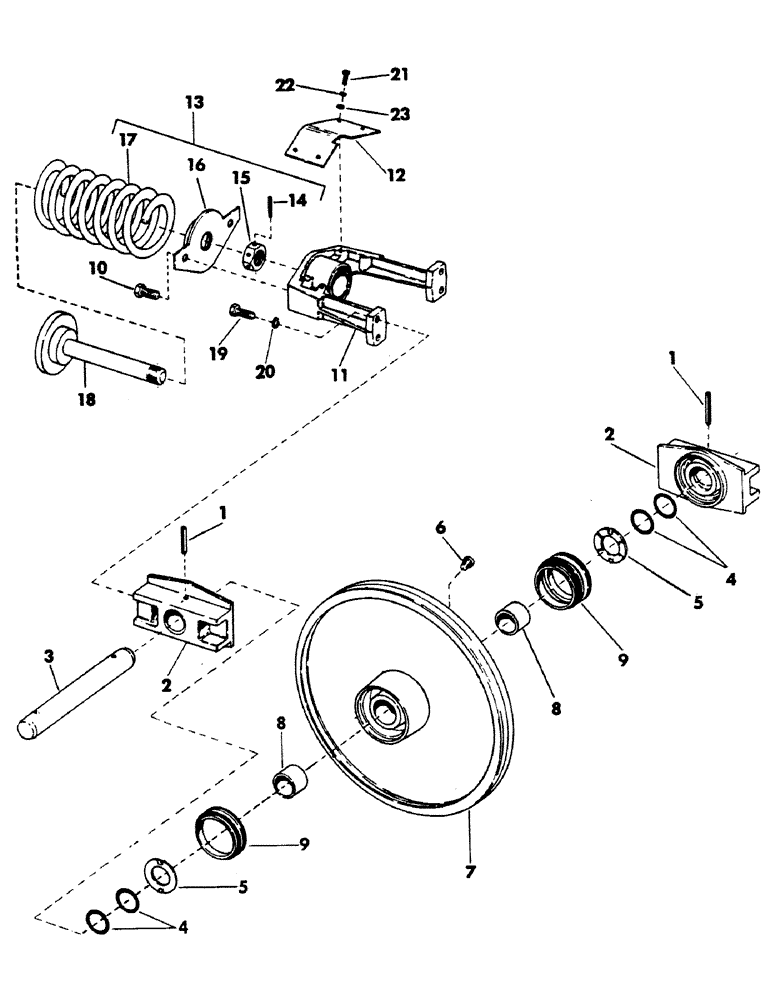
Запчасти Case 40BLC (012) - IDLER WHEEL AND TRACK ADJUSTER (04) - UNDERCARRIAGE

Схема запчастей Case 40BLC - (012) - IDLER WHEEL AND TRACK ADJUSTER (04) - UNDERCARRIAGE
FIT
1:1
100%

Артикул

Название

Примечание

Количество

S504106

FRONT IDLER

WHEEL, idler - complete (Consists of items 1 thru 9)

1шт.

1

138-210

LOCK PIN,1/2" x 3", Slotted

PIN, roll - 33/64" x 3" long

2шт.

2

S600594

BLOCK

guide

2шт.

3

S78699

SHAFT

idler

1шт.

4

S6318

O-RING,0.139" Thk x 2.234" ID, -228, Cl 5, 75 Duro

"O" RING - 2.234" ID x 2.500" OD

4шт.

5

S78702

WASHER

2шт.

6

S8993

PLUG

pipe - 1/8" NPT

2шт.

7

S504107

RIM

WHEEL, idler - (Includes item 8)

1шт.

8

S78703

BUSHING

2шт.

9

S209139

SEAL

SEAT

2шт.

10

13-1028

BOLT,Hex, 5/8" - 11 x 1-3/4", Gr 5, Full Thd

2шт.

11

S600551

YOKE

idler

1шт.

12

S504059

COVER

yoke

1шт.

13

S504108

SPRING

ASSEMBLY, track tension - (Includes items 14 thru 18)

1шт.

14

138-143

LOCK PIN,1/4" x 2 1/4", Slotted

PIN, roll - 1/4" x 1-7/8" long

1шт.

15

S87010

NUT

special

1шт.

16

S215128

LARGE PLATE

PLATE, end

1шт.

17

S215129

SPRING

1шт.

18

S215127

GUIDE

1шт.

19

113-410

BOLT,Hex, 1/2" - 13 x 1-1/2", Gr 5, Full Thd

(Yoke to guide block) Hex, 1/2"-13 x 1 1/2", G5, Full Thd

4шт.

20

192-23

LOCK WASHER,1/2"

WASHER, LOCK, 1/2"

4шт.

21

113-207

BOLT,Hex, 3/8" - 16 x 1", Gr 5

2шт.

22

192-21

LOCK WASHER,3/8"

WASHER, LOCK, 3/8"

2шт.

23

195-103

WASHER,5/16"

flat - 3/8"

2шт.

Выбрано товаров: 24