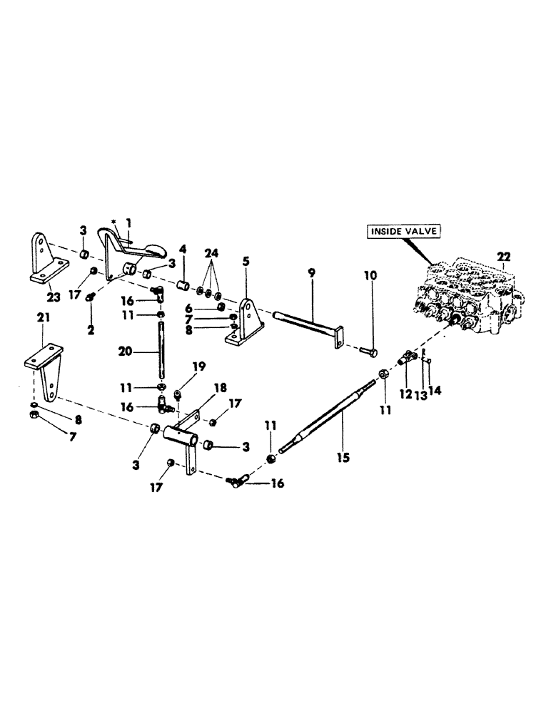
Запчасти Case 40BLC (117) - RIGHT TRACK PEDAL CONTROL AND LINKAGE (05) - UPPERSTRUCTURE CHASSIS

Схема запчастей Case 40BLC - (117) - RIGHT TRACK PEDAL CONTROL AND LINKAGE (05) - UPPERSTRUCTURE CHASSIS
FIT
1:1
100%

Артикул

Название

Примечание

Количество

1

S513893

PEDAL, right track control - (Includes item 2) - (Supersedes S504577)

1шт.

Change in listing

1шт.

2

219-8

LUBE NIPPLE,1/4" - 28 NPTF

NIPPLE, LUBE, 1/4"-28 NPT x .54" lg

1шт.

3

A30586

NEEDLE BEARING

BEARING, needle

4шт.

4

S110843

TUBE

SPACER - (Supersedes S91212)

1шт.

5

S218947

BRACKET

1шт.

6

86625061

NUT,1/4"-20, GB

NUT, self locking - 1/4" NC

1шт.

7

131-70

NUT,1/2"-13, GB

NUT, self locking - 1/2" NC

6шт.

8

95-8

WASHER,1/2"

flat 1/2"

6шт.

9

S218965

SHAFT ASSY.

SHAFT

1шт.

10

113-17

BOLT,Hex, 1/4" - 20 x 1-1/4", Gr 5

1шт.

11

86585245

SPECIAL NUT,JAM, 5/8" - 18

jam - 3/8" NF

4шт.

12

213-4

ADJUSTABLE CLEVIS,3/8"-24 x 2 1/2"

YOKE

1шт.

13

132-67

COTTER PIN,5/32" x 3/4"

Pin, Split (Cotter), 5/32" x 3/4"

1шт.

14

S10768

PIN

clevis - 3/8" x 1.016 grip length

1шт.

15

S220464

ROD, connecting

1шт.

16

S215594

BALL

JOINT, ball

3шт.

17

231-2446

NUT,3/8"-24, GB

NUT, self locking - 3/8" NF

3шт.

18

S220212

BELLCRANK - (Includes item 19)

1шт.

19

219-8

LUBE NIPPLE,1/4" - 28 NPTF

NIPPLE, LUBE, 1/4"-28 NPT x .54" lg

1шт.

20

S91681

ROD

connecting

1шт.

21

S218939

BRACKET

1шт.

22

VALVE, 4-spool main control - (For breakdown, see page 258)

1шт.

23

S218938

BRACKET

1шт.

24

195-41

WASHER,5/8"

(Used as spacer) 5/8"

3шт.

Выбрано товаров: 25