Запчасти Case 40EC (H12) - HYDRAULIC VALVES INTRODUCTION (CONTD), MAIN VALVE BANK (07) - HYDRAULIC SYSTEM

Схема запчастей Case 40EC - (H12) - HYDRAULIC VALVES INTRODUCTION (CONTD), MAIN VALVE BANK (07) - HYDRAULIC SYSTEM
FIT
1:1
100%

Артикул

Название

Примечание

Количество

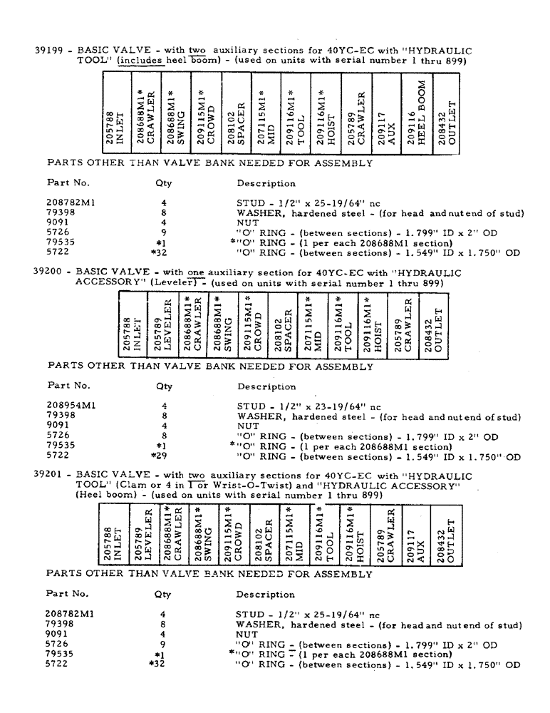
39199

BASIC VALVE - with two auxiliary sections for 40YC-EC with "Hydraulic Tool" Includes heel boom, Used on units with serial number 1 thru 899

1шт.

208782M1

STUD - 1/2" x 25-19/64" NC

4шт.

79398

WASHER, hardened steel, For head and nut end of stud

8шт.

9091

RING

NUT

4шт.

5726

"O" RING, Between sections, 1.799" ID x 2" O.D.

9шт.

79535

"O" RING, 1 per each 208688M1 section

1шт.

Change in listing.

1шт.

5722

BOLT,3/4" x 3.25", Gr 5

"O" RING, Between sections, 1.549" ID x 1.750" O.D.

32шт.

Change in listing.

1шт.

39200

BASIC VALVE - with one auxiliary section for 40YC-EC with "Hydraulic Accessory, Leveler, Used on units with serial number 1 thru 899

1шт.

208954M1

STUD - 1/2" x 23-19/64" NC

4шт.

79398

WASHER, hardened steel, For head and nut end of stud

8шт.

9091

RING

NUT

4шт.

5726

"O" RING, Between sections, 1.799" ID x 2" O.D.

8шт.

79535

"O" RING, 1 per each 208688M1 section

1шт.

Change in listing.

1шт.

5722

BOLT,3/4" x 3.25", Gr 5

"O" RING, Between sections, 1.549" ID x 1.750 O.D.

29шт.

Change in listing.

1шт.

39201

PIN

BASIC VALVE - with two auxiliary sections for 40YC-EC with "Hydraulic Tool" Clam or 4 in 1 or wrist-o-twist and "Hydraulic Accessory" Heel boom, Used on units with serial number 1 thru 899

1шт.

208782M1

STUD - 1/2" x 25-19/64" NC

4шт.

79398

WASHER, hardened steel, For head and nut end of stud

8шт.

9091

RING

NUT

4шт.

5726

"O" RING, Between sections, 1.799" ID x 2" O.D.

9шт.

79535

"O" RING, per each 208688M1 section

1шт.

Change in listing.

1шт.

5722

BOLT,3/4" x 3.25", Gr 5

"O" RING, Between sectios, 1.549" ID x 1.750" O.D.

32шт.

Change in listing.

1шт.

Выбрано товаров: 27