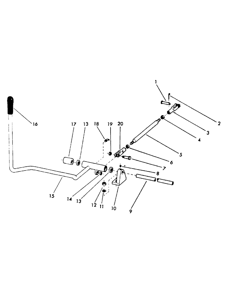
Запчасти Case 40EC (J03) - OPTIONAL HEEL BOOM CONTORL LINKAGE, (USED ON UNITS WITH (18) - ATTACHMENT ACCESSORIES

Схема запчастей Case 40EC - (J03) - OPTIONAL HEEL BOOM CONTORL LINKAGE, (USED ON UNITS WITH (18) - ATTACHMENT ACCESSORIES
FIT
1:1
100%

Артикул

Название

Примечание

Количество

1

10807

PIN, clevis - 1.188" grip length

1шт.

2

4627

COTTER PIN

PIN, cotter - 1/8" x 1" long

1шт.

3

12513

SNAP RING,M70, Ext

YOKE

1шт.

4

4245

SEAL KIT

NUT, jam - 1/2" NF

1шт.

5

71861

ROD, connector

1шт.

6

4243

SPRING COMPRESSOR

NUT, jam - 3/8" NF

1шт.

7

40816

BOLT, shoulder

1шт.

8

14045

DUST CAP

SCREW, set - 5/16" x 5/16" NC

1шт.

9

78120

SHAFT

1шт.

10

208698

SUPPORT

1шт.

11

7389

WASHER, flat - 7/16"

2шт.

12

17167

LOCK NUT

NUT, self locking - 3/8" NC

2шт.

13

63168

BEARING, needle

2шт.

14

40815

ENGINE MOUNT

BEARING, needle

1шт.

15

38120

CHAIN,CA550, 49 Links x 41.4mm = 2028.6mm

HANDLE, heel boom clam control, Includes Ref. 18

1шт.

Change in listing.

1шт.

16

63411

KNOTTER

GRIP, handle

1шт.

17

75858

SPARE PART

SPACER

1шт.

18

49793

GUARD

FITTING, grease - 1/4" NPT x 65 degrees

1шт.

19

17153

O-RING,0.103" Thk x 0.674" ID, -115, Cl 5, 75 Duro

NUT, self locking - 3/8" NF

1шт.

20

12514

CIRCLIP

YOKE

1шт.

Выбрано товаров: 21