Запчасти Case 40YC (025) - DETROIT DIESEL 4-71 ENGINE AND ATTACHING PARTS (01) - ENGINE

Схема запчастей Case 40YC - (025) - DETROIT DIESEL 4-71 ENGINE AND ATTACHING PARTS (01) - ENGINE
FIT
1:1
100%

Артикул

Название

Примечание

Количество

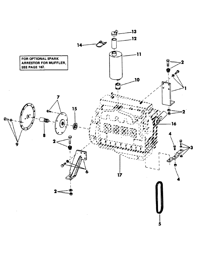
1

S506055

BRACKET

rear engine mounting - (Left hand)

1шт.

S2467

BOLT

CPSW - 1/2" NC x 1-1/2" gr 5

4шт.

S4399

WASHER

lock - 1/2"

4шт.

2

S2554

BOLT (MACHINE)

CPSW - 3/4" NC x 4-1/4" gr 5

2шт.

S93392

MOUNTING PARTS

MOUNT, rubber

2шт.

S82255

WASHER

snubbing

2шт.

S17089

NUT

self locking - 3/4" NC

2шт.

3

S219892

SUPPORT, front engine

1шт.

S2506

BOLT (MACHINE)

CPSW - 5/8" NC x 2-1/2" gr 5

2шт.

S7401

WASHER, flat - 5/8"

2шт.

S17171

NUT

self locking - 5/8" NC

2шт.

4

S2547

CPSW - 3/4" NC x 2-1/2" gr 5

1шт.

231-14012

LOCK NUT,3/4"-10, GB

NUT, self locking - 3/4" NC

1шт.

5

S82985

V-BELT,36.70" L

BELT , Alternator, Included with engine 36.70" L

1шт.

Change in listing.

1шт.

6

S506059

BRACKET

rear engine mounting - (Right hand)

1шт.

S2467

BOLT

CPSW - 1/2" NC x 1-1/2" gr 5

4шт.

S4399

WASHER

lock - 1/2"

4шт.

7

S502452M1

DAMPENER, pump drive

1шт.

S63218

BOLT

CPSW - 3/8" NC x 5/8" gr 5

8шт.

8

S63201

COUPLING

1шт.

9

S52615

MOUNTING PARTS

MOUNTING, hydraulic pump

1шт.

S2401

BOLT

CPSW - 3/8" NC x 1" gr 5

12шт.

S4397

WASHER

lock - 3/8"

12шт.

10

S219923

ADAPTER, exhaust - (Used on units with serial no. 1500 thru 1947)

1шт.

S224783

ADAPTER, exhaust - (Used on units with serial no. 1948 thru 2003)

1шт.

S225948

ADAPTER, exhaust - (Used on units with serial no. 2004 and after)

1шт.

11

S505881

MUFFLER

- (Used on units with serial no. 1500 thru 2003)

1шт.

S508420

MUFFLER

- (Used on units with serial no. 2004 and after)

1шт.

12

S93396

TUBE,4" OD x 18" L

PIPE, exhaust - (Used on units with serial no. 1500 thru 2003)

1шт.

S98927

PIPE CLAMP

PIPE, exhaust - (Used on units with serial no. 2004 and after)

1шт.

13

S93398

CAP

exhaust pipe - (Used on units with serial no. 1500 thru 2003)

1шт.

A19795

CAP

exhaust pipe - (Used on units with serial no. 2004 and after)

1шт.

14

S92543

CLAMP, pipe - (Used on units with serial no. 1500 thru 2003)

2шт.

S68529

CLAMP

pipe - (Used on units with serial no. 2004 and after)

2шт.

15

S82793

BUSHING

SPACER, pump drive

1шт.

16

S97486

FAN

SPACER, fan - (Not illustrated)

1шт.

S2378

BOLT

CPSW - 5/16" NC x 1-1/2" gr 5

6шт.

17

S57273M1

ENGINE, Detroit diesel 4-71 - (Used on units with serial no. 1500 thru 1947)

1шт.

S604763

ENGINE, Detroit diesel 4-71 - (Used on units with serial no. 1948 and after)

1шт.

Выбрано товаров: 40