Запчасти Case 40YC (018) - FINAL DRIVE TRANSMISSION (04) - UNDERCARRIAGE

Схема запчастей Case 40YC - (018) - FINAL DRIVE TRANSMISSION (04) - UNDERCARRIAGE
FIT
1:1
100%

Артикул

Название

Примечание

Количество

S604785

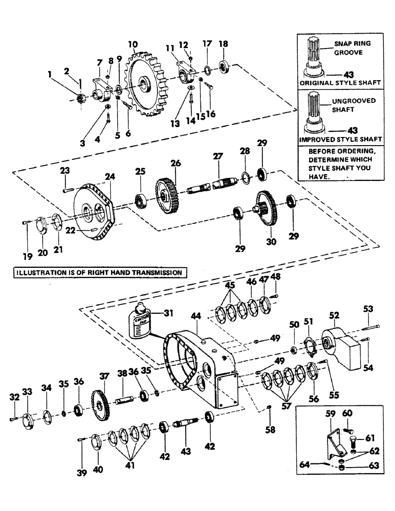
TRANSMISSION, final drive - complete (Consists of items 1, 2 and 18 thru 58) - (Right hand)

1шт.

S604786

TRANSMISSION, final drive - complete (Consists of items 1, 2 and 18 thru 58) - (Left hand)

1шт.

1

S9311

NUT

- 2" NF, quantities listed are for one complete transmission

1шт.

2

S5462

PIN

roll - 5/16" x 2-3/4" long, quantities listed are for one complete transmission

1шт.

3

S84753

WASHER

flat - 5/8" - (Hardened), quantities listed are for one complete transmission

2шт.

4

S75591

BOLT

CPSW - 5/8" NC x 3-1/2" gr 8 - (Mounts pillow block to frame), quantities listed are for one complete transmission

2шт.

5

86632557

JAM NUT,Jam, 3/4"-10, G5

NUT, jam - 3/4" NC, quantities listed are for one complete transmission

1шт.

6

S12261

CAPSCREW

CPSW - 3/4" NC x 3" - (Pillow block adjustment), quantities listed are for one complete transmission

1шт.

7

S209722

BLOCK

pillow - (Outer), quantities listed are for one complete transmission

1шт.

8

S17088

NUT

self locking - 5/8" NC, quantities listed are for one complete transmission

2шт.

9

S83872M1

X

SPACER, outer, quantities listed are for one complete transmission

1шт.

10

S952423M1

RIM

SPROCKET, drive, quantities listed are for one complete transmission

1шт.

THERE ARE 34 INTERNAL TEETH ON THE FAR SIDE OF THE BORE. ON S953129, THERE ARE 34 INTERNAL TEETH IN THE CENTER OF THE BORE.

1шт.

11

S212544

BEARING CARRIER

BLOCK, pillow - (Inner), quantities listed are for one complete transmission

1шт.

12

S17089

NUT

- self locking - 3/4" NC, quantities listed are for one complete transmission

2шт.

13

S84752

WASHER

flat - 3/4" - (Hardened), quantities listed are for one complete transmission

2шт.

14

S84785

BOLT

CPSW - 3/4" NC x 4-1/2" - (Special) - (Mounts pillow block to frame), quantities listed are for one complete transmission

2шт.

15

86632557

JAM NUT,Jam, 3/4"-10, G5

NUT, jam - 3/4" NC, quantities listed are for one complete transmission

1шт.

16

S12261

CAPSCREW

CPSW - 3/4" NC x 3" (Pillow block adjustment), quantities listed are for one complete transmission

1шт.

17

S83873

SPACER

inner, quantities listed are for one complete transmission

1шт.

18

S83874

OIL SEAL

SEAL, oil, quantities listed are for one complete transmission

1шт.

19

S91176

CAPSCREW

CPSW - 3/8" NC x 7/8" (Socket head nylok), quantities listed are for one complete transmission

4шт.

20

S217974M1

COVER

bearing, quantities listed are for one complete transmission

1шт.

21

S204088

SHIM,.010" Thk

Gasket, Quantities listed are for one complete transmission .010" Thk

1шт.

22

S65037

DOWEL

- 5/8" x 1-1/4" long, quantities listed are for one complete transmission

2шт.

23

S4113

CAPSCREW

CPSW - 1/2" NC x 1-1/8" - (Socket head nylok), quantities listed are for one complete transmission

21шт.

24

S952720M1

X

COVER, transmission, quantities listed are for one complete

1шт.

25

S83875

ROLLER BEARING

BEARING, roller, quantities listed are for one complete transmission

1шт.

26

S603741

GEAR

output, quantities listed are for one complete transmission

1шт.

Change in listing.

1шт.

Replacement of either gear, Ref. 26 or 30 (formerly P/N S600865M2 and P/N S601244) will necessitate the ordering of the gear P/N S603741 and P/N S603740. These gears must be replaced as a pair. See service bulletin no. 81 dated September 1, 1972.

1шт.

27

S59165M2

X

SHAFT, output, quantities listed are for one complete transmission

1шт.

28

S76259

RING, SNAP

RING, retaining, quantities listed are for one complete transmission

1шт.

29

S65025

BEARING ASSY

BEARING, roller, quantities listed are for one complete transmission

3шт.

30

S603740

GEAR

CLUSTER AND SHAFT, quantities listed are for one complete transmission

1шт.

Change in listing.

1шт.

Replacement of either gear, Ref. 26 or 30 (formerly P/N S600865M2 and P/N S601244) will necessitate the ordering of the gear P/N S603741 and P/N S603740. These gears must be replaced as a pair. See service bulletin no. 81 dated September 1, 1972.

1шт.

31

S96077

SEAL

- 10 CC bottle - (Red) - (Replaces transmission cover gasket - substitutes must not be used), quantities listed are for one complete transmission

1шт.

32

S3896

CAPSCREW

CPSW - 3/8" NC x 3/4" - (Socket head nylok), quantities listed are for one complete transmission

3шт.

33

S210368

COVER

bearing, quantities listed are for one complete transmission

1шт.

34

S204092

SHIM,.010" Thk

Gasket, Quantities listed are for one complete transmission .010" Thk

1шт.

35

S62725

RING

retaining, quantities listed are for one complete transmission

2шт.

36

S65035

ROLLER BEARING

BEARING, roller, quantities listed are for one complete transmission

2шт.

37

S53338

GEAR

CLUSTER, intermediate, quantities listed are for one complete transmission

1шт.

38

S210366

SHAFT

intermediate, quantities listed are for one complete transmission

1шт.

39

S3896

CAPSCREW

CPSW - 3/8" NC x 3/4" - (Socket head nylok), quantities listed are for one complete transmission

3шт.

40

S203411

COVER

bearing, quantities listed are for one complete transmission

1шт.

41

S204093

SHIM,.003" Thk

Gasket, Quantities listed are for one complete transmission .003" Thk

1шт.

S204094

SHIM

GASKET, shim - .005", quantities listed are for one complete transmission

1шт.

S204095

SHIM

GASKET, shim - .007", quantities listed are for one complete transmission

1шт.

S204096

SHIM,.010" Thk

Gasket, Quantities listed are for one complete transmission .010" Thk

1шт.

42

S65036

BEARING ASSY

BEARING, quantities listed are for one complete transmission

2шт.

43

S508255

SHAFT

improved style - (Without snap ring groove), quantities listed are for one complete transmission

1шт.

S34044

SHAFT

orginal style - (With snap ring groove) - (Replaced by kit, item 65), quantities listed are for one complete transmission

1шт.

Change in listing.

1шт.

Replacement of either gear, Ref. 26 or 30 (formerly P/N S600865M2 and P/N S601244) will necessitate the ordering of the gear P/N S603741 and P/N S603740. These gears must be replaced as a pair. See service bulletin no. 81 dated September 1, 1972.

1шт.

44

S952724M1

X

HOUSING, transmission - (Right hand), quantities listed are for one complete transmission

1шт.

S952725M1

HOUSING

transmission - (Left hand), quantities listed are for one complete transmission

1шт.

45

S204085

GASKET

shim - .003", quantities listed are for one complete transmission

1шт.

S204086

SHIM,.005" Thk

Gasket, Quantities listed are for one complete transmission .005" Thk

1шт.

S204087

SHIM,.007" Thk

Gasket, Quantities listed are for one complete transmission .007" Thk

1шт.

S204088

SHIM,.010" Thk

Gasket, Quantities listed are for one complete transmission .010" Thk

1шт.

46

S204097

SHIM,.030" Thk

Gasket, Quantities listed are for one complete transmission .030" Thk

1шт.

47

S217974M1

COVER

bearing, quantities listed are for one complete transmission

2шт.

48

S91176

CAPSCREW

CPSW - 3/8" NC x 7/8" - (Socket head nylok), quantities listed are for one complete transmission

8шт.

49

S7880

PLUG

pipe - 3/4" NPT - (Socket head), quantities listed are for one complete transmission

2шт.

50

S65001

OIL SEAL

oil - (Brake housing), quantities listed are for one complete transmission

1шт.

51

S80305

GASKET

brake housing to transmission, quantities listed are for one complete

1шт.

52

S57642

HOUSING

track brake - (Right hand and left han, quantities listed are for one complete transmissiond)

1шт.

53

S12276

CAPSCREW

CPSW - 1/2" NC x 3" - (Brake housing to transmission) - (Socket head nylok), quantities listed are for one complete

1шт.

54

S4113

CAPSCREW

CPSW - 1/2" NC x 1-1/8" - (Brake housing to transmission) - (Socket head nylok), quantities listed are for one complete

1шт.

55

S3896

CAPSCREW

CPSW - 3/8" NC x 3/4" - (Socket head nylok), quantities listed are for one complete transmission

3шт.

56

S210368

COVER

bearing, quantities listed are for one complete transmission

1шт.

57

S204089

SHIM,.003" Thk

Gasket, Quantities listed are for one complete transmission .003" Thk

1шт.

S204090

SHIM,.005" Thk

Gasket, Quantities listed are for one complete transmission .005" Thk

1шт.

S204091

SHIM,.007" Thk

Gasket, Quantities listed are for one complete transmission .007" Thk

1шт.

S204092

SHIM,.010" Thk

Gasket, Quantities listed are for one complete transmission .010" Thk

1шт.

58

S15165

PLUG, pipe - 3/4" NPT - (Hexagon head) - (Breather hole), quantities listed are for one complete transmission

1шт.

59

S218815

BRACKET, transmission mounting - (Right hand) - (Illustrated), quantities listed are for one complete

1шт.

S218816

BRACKET, transmission mounting - (Left hand) - (Not illustrated), quantities listed are for one complete

1шт.

60

S2542

BOLT

CPSW - 3/4" NC x 1-1/2" gr 5 - (Bracket to transmission), quantities listed are for one complete

4шт.

61

S91149

BOLT

CPSW - 1" NC x 2-3/4" gr 8 - (Bracket to frame), quantities listed are for one complete transmission

1шт.

62

S89556

WASHER

flat - 1" - (Special), quantities listed are for one complete transmission

2шт.

63

S89793

NUT

castle - 1" NC, quantities listed are for one complete transmission

1шт.

64

S4674

SPLIT PIN

PIN, cotter - 1/4" x 2" long, quantities listed are for one complete transmission

1шт.

65

S607927

SHAFT

KIT, shaft - (Includes shaft S508255, splined coupling S224667, and snap ring S74048) - (See Figure 086) - (Supersedes S34044), quantities listed are for one complete transmission

1шт.

Выбрано товаров: 86