Запчасти Case 40YC (072) - SWING BRAKE (05) - UPPERSTRUCTURE CHASSIS

Схема запчастей Case 40YC - (072) - SWING BRAKE (05) - UPPERSTRUCTURE CHASSIS
FIT
1:1
100%

Артикул

Название

Примечание

Количество

S603830

BRAKE LINE

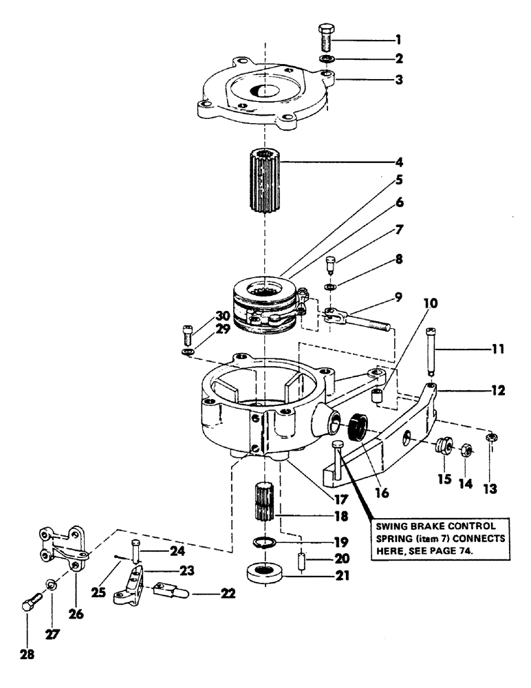
BRAKE, swing - complete - (Consists of items 1 thru 30) (Supersedes S56457M2)

1шт.

1

S2466

BOLT

CPSW - 1/2" NC x 1-1/4" gr 5

4шт.

2

S4399

WASHER

lock - 1/2"

4шт.

3

S38006

COVER

AND FLANGE, motor mounting

1шт.

4

S224667

COUPLING, BREAK AWAY

COUPLING, splined - (Supersedes S208430M1)

1шт.

5

S207618M1

X

BRAKE ASSEMBLY - (Includes item 6)

1шт.

6

S81615M1

DISC, brake

2шт.

7

S66646

BOLT,5/16" x 3/4"

shoulder

1шт.

8

S4397

WASHER

lock - 3/8"

1шт.

9

S64912

YOKE

plain

1шт.

10

S64921

BUSHING

1шт.

11

S64920

BOLT,5/16" x 2"

SCREW

1шт.

12

S203304

LEVER

brake

1шт.

13

S9088

NUT

self locking - 5/16" NC

1шт.

14

86585245

SPECIAL NUT,JAM, 5/8" - 18

jam - 3/8" NF

1шт.

15

S64911

NUT

ball seat

1шт.

16

S64913

BOOT

dust

1шт.

17

S603824

HOUSING

brake - (Supersedes S53226M1)

1шт.

18

S203305

GEAR SHAFT

STUD, splined

1шт.

19

S60206

RING, SNAP

RING, retaining

1шт.

20

S64915

DOWEL

1шт.

21

S64311

OIL SEAL

oil

1шт.

22

S64910

PLUNGER

cable

1шт.

23

S203959

LEVER

cable

1шт.

24

S10717

PIN

clevis - 1/4" x 1.01" grip length

2шт.

25

S4610

SPLIT PIN

PIN, cotter - 3/32" x 1/2" long

2шт.

26

S203957

BRACKET

cable mounting

1шт.

27

S4397

WASHER

lock - 3/8"

2шт.

28

S2400

MUFFLER

CPSW - 3/8" NC x 3/4" gr 5

2шт.

29

S103264

WASHER

seal - 3/8"

3шт.

30

S87563

CAPSCREW

CPSW - 3/8" NC x 1-1/4" - (Socket head nylock) - (Mounts swing brake housing to swing reducer) - (Supersedes S3518)

3шт.

Выбрано товаров: 31