Запчасти Case 40YC (129) - HOIST AND CROWD CYLINDER, (6.53" ID X 45.50" STROKE) (07) - HYDRAULIC SYSTEM

Схема запчастей Case 40YC - (129) - HOIST AND CROWD CYLINDER, (6.53" ID X 45.50" STROKE) (07) - HYDRAULIC SYSTEM
FIT
1:1
100%

Артикул

Название

Примечание

Количество

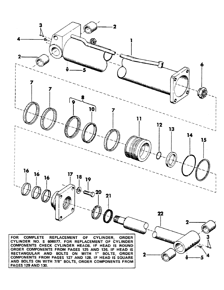
S608077

CYLINDER

hoist and crowd - complete - (consists of items 1 thru 22) - (Supersedes S602299 and S606093)

2шт.

1

S608078

TUBE

cylinder - (Includes items 2 and 3), quantites listed are for one complete

1шт.

2

S225645

BUSHING

quantites listed are for one complete cylinder

4шт.

3

S14046

SET SCREW

SCREW, set - 5/16" NC x 3/8", quantites listed are for one complete cylinder

8шт.

4

S15161

PLUG, pipe - 1/8" NPT, quantites listed are for one complete cylinder

2шт.

5

S12031

FITTING,1/8"-27 x .66 lg

grease - 1/8" NPT - (Straight), quantites listed are for one complete cylinder

2шт.

6

S83249

NUT

quantites listed are for one complete cylinder

1шт.

7

S97856

RING

wear, quantites listed are for one complete cylinder

3шт.

8

S234340

SEAL

ASSEMBLY, piston - (Includes items 9 and 10) - (Supersedes S224768), quantites listed are for one complete cylinder

1шт.

Change in listing.

1шт.

9

NSS

NOT SOLD SEPARAT

SEAL, piston, quantites listed are for one complete cylinder

1шт.

10

NSS

NOT SOLD SEPARAT

RING, expander, quantites listed are for one complete cylinder

1шт.

11

S508236

PISTON

quantites listed are for one complete cylinder

1шт.

12

S5922

O-RING,1.975" ID x 2.395" OD x 0.21"

"O" RING - 1.975" ID x 2.375" OD, quantites listed are for one complete cylinder

1шт.

13

S97798

SPACER

quantites listed are for one complete cylinder

1шт.

14

S6030

O-RING,5.975" ID x 6.525" OD x 0.275"

"O" RING - 5.975" ID x 6.500" OD, quantites listed are for one complete cylinder

1шт.

15

S99881

WASHER

backup, quantites listed are for one complete cylinder

1шт.

16

S104133

OIL SEAL

RING, wear, quantites listed are for one complete cylinder

3шт.

17

S608080

GLAND

HEAD, cylinder, quantites listed are for one complete

1шт.

18

S96585

WASHER

hardened flat - 7/8", quantites listed are for one complete cylinder

4шт.

19

S12645

BOLT

CPSW - 7/8" NF x 2-3/8" gr 8, quantites listed are for one complete cylinder

4шт.

20

S109927

SEAL

rod - (Supersedes S97855), quantites listed are for one complete cylinder

1шт.

Change in listing.

1шт.

21

S97854

WIPER SEAL,88.9mm ID x 104.98mm OD x 7.92mm Thk

WIPER, rod, quantites listed are for one complete cylinder

1шт.

22

S508274

ROD

cylinder - (Includes items 2 and 3), quantites listed are for one complete

1шт.

Выбрано товаров: 25