Запчасти Case 50 (023) - DETROIT DIESEL 6V-53 ENGINE AND MOUNTING PARTS (10) - ENGINE

Схема запчастей Case 50 - (023) - DETROIT DIESEL 6V-53 ENGINE AND MOUNTING PARTS (10) - ENGINE
FIT
1:1
100%

Артикул

Название

Примечание

Количество

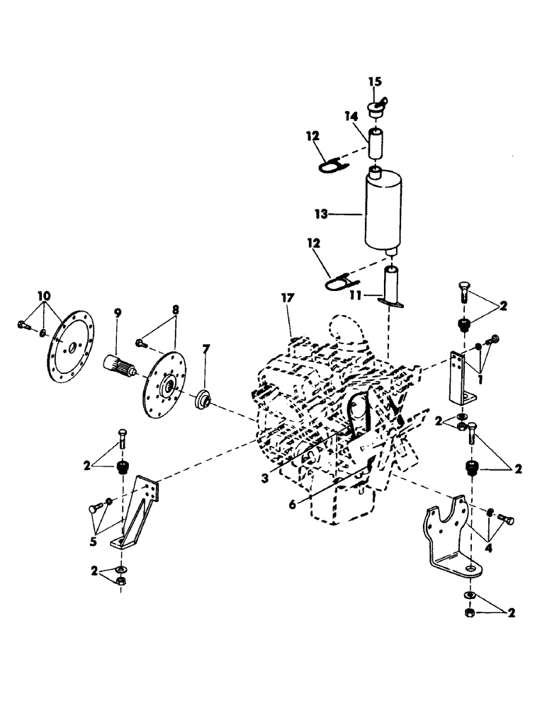
1

S506065

BRACKET

rear engine mounting - (Left hand)

1шт.

S2467

BOLT

CPSW - 1/2" NC x 1-1/2" gr 5

4шт.

S4399

WASHER

lock - 1/2"

4шт.

2

S2554

BOLT (MACHINE)

CPSW - 3/4" NC x 4-1/4" gr 5

3шт.

S93392

MOUNTING PARTS

MOUNT, rubber

3шт.

S82255

WASHER

snubbing

3шт.

S17089

NUT

self-locking - 3/4" NC

3шт.

3

S211672

BELT

SET OF BELTS, V- Belt, Alternator (Matched set of 2)

1шт.

4

S505886

BRACKET

front engine mounting

1шт.

S2432

BOLT

CPSW - 7/16" NC x 1-1/2" gr 5

6шт.

S4398

WASHER, LOCK

- 7/16"

6шт.

5

S506064

BRACKET

rear engine mounting - (Right hand)

1шт.

S2467

BOLT

CPSW - 1/2" NC x 1-1/2" gr 5

4шт.

S4399

WASHER

lock - 1/2"

4шт.

6

S84944

SET OF BELTS

V- Belt, Fan (Matched set of 2) (Used with 24" fan)

1шт.

7

S63071

SPACER

1шт.

8

S502452M1

DAMPENER, pump drive

1шт.

S63218

BOLT

CPSW - 3/8" NC x 5/8" gr 8

8шт.

9

S63201

COUPLING

1шт.

10

S52615

MOUNTING PARTS

MOUNTING, hydraulic pump

1шт.

S2401

BOLT

CPSW - 3/8" NC x 1" gr 5

10шт.

S2402

BOLT

CPSW - 3/8" NC x 1-1/4" gr 5

2шт.

S4397

WASHER

lock - 3/8"

12шт.

11

S219930

PIPE, exhaust adapter - (For mounting use existing hardware)

2шт.

12

S65056

CLAMP

pipe

4шт.

13

S220817

MUFFLER

- (Used on units with serial no. 550 thru 908)

2шт.

S508699

MUFFLER

- (Used on units with serial no. 909 and after)

2шт.

14

S93394

PIPE, EXHAUST SYSTEM

PIPE, exhaust - (Used on units with serial no. 550 thru 908)

2шт.

S99139

PIPE, exhaust - (Used on units with serial no. 909 and after)

2шт.

15

D33884

CAP

exhaust pipe

2шт.

16

S97540

FAN

SPACER, fan - (Not illustrated)

1шт.

S2379

BOLT

CPSW - 5/16" NC x 1-3/4" gr 5 - (Mounts spacer behind fan blower) (Not illustrated)

6шт.

17

S57272M1

ENGINE, Detroit diesel 6V-53 - (Used on units with serial no. 550 thru 602)

1шт.

S603527

ENGINE ASSEMBLY

ENGINE, Detroit diesel 6V-53 - (Used on units with serial no. 603 and after)

1шт.

Выбрано товаров: 34