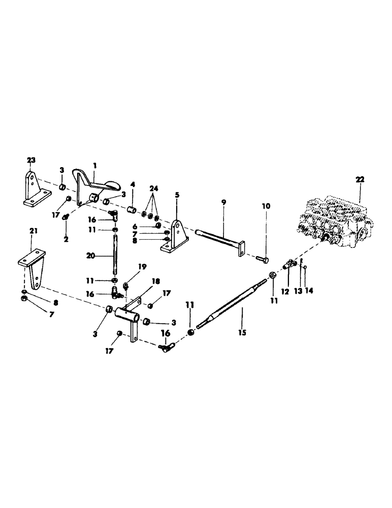
Запчасти Case 50 (071) - RIGHT TRACK PEDAL CONTROL AND LINKAGE (33) - BRAKES & CONTROLS

Схема запчастей Case 50 - (071) - RIGHT TRACK PEDAL CONTROL AND LINKAGE (33) - BRAKES & CONTROLS
FIT
1:1
100%

Артикул

Название

Примечание

Количество

1

S504577

PEDAL, right track control - (Includes grease fitting)

1шт.

2

S46960

FITTING

grease - 1/4" NPT - (Straight)

1шт.

3

S63168

NEEDLE BEARING,0.625" ID x 0.8125" OD x 0.5"

BEARING, needle

14шт.

4

S91212

SPACER

1шт.

5

S218947

BRACKET

1шт.

6

231-1444

NUT,1/4"-20, GB

NUT, LOCK, 1/4"-20, GB

1шт.

7

S17169

INSTRUCTION

NUT, self locking - 1/2" NC

6шт.

8

S7397

WASHER

flat - 1/2"

6шт.

9

S218965

SHAFT ASSY.

SHAFT

1шт.

10

S2352

BOLT

CPSW - 1/4" NC x 1-1/4" gr 5

1шт.

11

86585245

SPECIAL NUT,JAM, 5/8" - 18

jam - 3/8" NF

4шт.

12

S12514

YOKE

1шт.

13

S4640

PIN, cotter - 5/32" x 3/4" long

1шт.

14

S10768

PIN

clevis - 3/8" x 1.016" grip length

1шт.

15

S220464

ROD, connecting

1шт.

16

S215594

BALL

JOINT, ball

3шт.

17

231-2446

NUT,3/8"-24, GB

NUT, self locking - 3/8" NF

3шт.

18

S220212

BELLCRANK - (Includes grease fitting)

1шт.

19

S46960

FITTING

grease - 1/4" NPT - (Straight)

1шт.

20

S91681

ROD

connecting

1шт.

21

S218939

BRACKET

1шт.

22

VALVE, 4-spool main control - (For breakdown, see Figure 125)

1шт.

23

S218938

BRACKET

1шт.

24

S7403

WASHER

- (Used as spacer)

3шт.

Выбрано товаров: 24