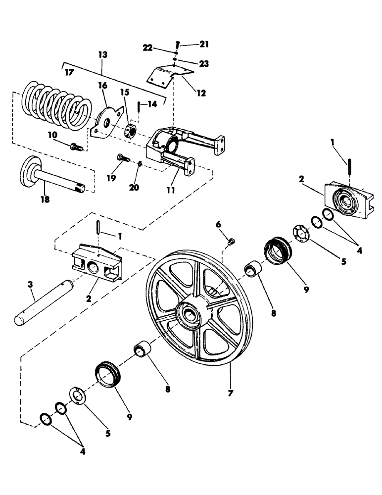
Запчасти Case 50 (010) - IDLER WHEEL AND TRACK ADJUSTER (48) - TRACKS & TRACK SUSPENSION

Схема запчастей Case 50 - (010) - IDLER WHEEL AND TRACK ADJUSTER (48) - TRACKS & TRACK SUSPENSION
FIT
1:1
100%

Артикул

Название

Примечание

Количество

S504106

FRONT IDLER

WHEEL, idler - complete (Consists of items 1 thru 9)

1шт.

1

S5526

ROLL PIN

PIN, roll - 33/64" x 3" long

2шт.

2

S600594

BLOCK

guide

2шт.

3

S78699

SHAFT

idler

1шт.

4

S6318

O-RING,0.139" Thk x 2.234" ID, -228, Cl 5, 75 Duro

"O" RING - 2.234" ID x 2.500" OD

4шт.

5

S78702

WASHER

2шт.

6

S8993

PLUG

pipe - 1/8" NPT

2шт.

7

S952422

FRONT IDLER

WHEEL, idler - (Includes item 8)

1шт.

8

S78703

BUSHING

2шт.

9

S209139

SEAL

SET

2шт.

10

S2503

BOLT (MACHINE)

CPSW - 5/8" NC x 1-3/4" gr. 5

2шт.

11

S600551

YOKE

idler

1шт.

12

S504059

COVER

yoke

1шт.

13

S504108

SPRING

ASSEMBLY, track tension - (Includes items 14 thru 18)

1шт.

14

S5438

PIN, ROLL

- 1/4" x 1-7/8" long

1шт.

15

S87010

NUT

- (Special)

1шт.

16

S215128

LARGE PLATE

PLATE, end

1шт.

17

S215129

SPRING

1шт.

18

S215127

GUIDE

1шт.

19

S2467

BOLT

CPSW - 1/2" NC x 1-1/2" gr 5 (Yoke to guide block)

4шт.

20

S4399

WASHER

lock - 1/2"

4шт.

21

S2401

BOLT

CPSW - 3/8" NC x 1" gr 5

2шт.

22

S4397

WASHER

lock - 3/8"

2шт.

23

S7385

INSTRUCTION

WASHER, flat - 3/8"

2шт.

Выбрано товаров: 24