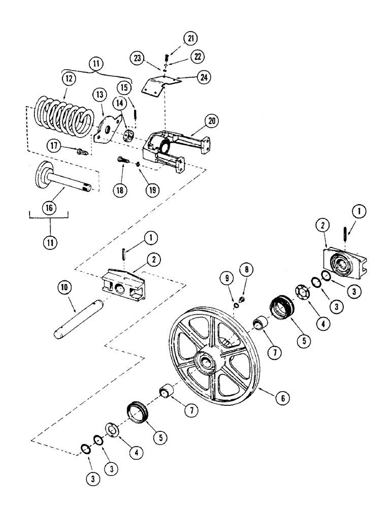
Запчасти Case 50 (010) - IDLER WHEEL AND TRACK ADJUSTER, (S/N 6279926 AND AFTER) (48) - TRACKS & TRACK SUSPENSION

Схема запчастей Case 50 - (010) - IDLER WHEEL AND TRACK ADJUSTER, (S/N 6279926 AND AFTER) (48) - TRACKS & TRACK SUSPENSION
FIT
1:1
100%

Артикул

Название

Примечание

Количество

S504106

FRONT IDLER

WHEEL - idler, Includes: Ref. 1 - 10

2шт.

1

138-210

LOCK PIN,1/2" x 3", Slotted

PIN - roll 33/64" x 2" long

2шт.

2

S600594

BLOCK

- guide

2шт.

3

S6318

O-RING,0.139" Thk x 2.234" ID, -228, Cl 5, 75 Duro

"O" RING - 2.234" ID x 2.500" OD

4шт.

4

S78702

WASHER

2шт.

5

S209139

SEAL

SET

2шт.

6

S504107

RIM

WHEEL - idler, Includes: Ref. 7

1шт.

7

S78703

BUSHING

2шт.

8

S8993

PLUG

- pipe, Includes: Ref. 9

1шт.

9

S6058

O-RING

"O" RING - .414" ID x .558" OD

1шт.

10

S78699

SHAFT

- idler

1шт.

11

S504108

SPRING

ASSEMBLY , Includes: Ref. 12 - 16, Serial Range: 6279926-6280015

2шт.

S511656

SPRING

ASSEMBLY , Includes: Ref. 12 - 16, Start Serial: 6280016

2шт.

12

S215129

SPRING

, Serial Range: 6279926-6280015

1шт.

S232895

SPRING

, Start Serial: 6280016

1шт.

13

S215128

LARGE PLATE

PLATE - end, Serial Range: 6279926-6280015

1шт.

S232915

LARGE PLATE

PLATE - end, Start Serial: 6280016

1шт.

14

S87010

NUT

- 1-1/2" NC (Replaces 25-1224)

1шт.

15

138-143

LOCK PIN,1/4" x 2 1/4", Slotted

PIN - roll 1/4" x 1-7/8" long

1шт.

16

S215127

GUIDE

- spring, Serial Range: 6279926-6280015

1шт.

S232916

GUIDE

- spring, Start Serial: 6280016

1шт.

17

113-600

BOLT,Hex, 5/8" - 11 x 1-3/4", Gr 5

(Replaces 13-1028) Hex, 5/8"-11 x 1 3/4", G5

4шт.

18

113-410

BOLT,Hex, 1/2" - 13 x 1-1/2", Gr 5, Full Thd

(Yoke to guide blocks) Hex, 1/2"-13 x 1 1/2", G5, Full Thd

8шт.

19

192-23

LOCK WASHER,1/2"

WASHER, LOCK, 1/2"

8шт.

20

S600551

YOKE

- idler

2шт.

21

113-207

BOLT,Hex, 3/8" - 16 x 1", Gr 5

4шт.

22

192-21

LOCK WASHER,3/8"

WASHER, LOCK, 3/8"

4шт.

23

195-103

WASHER,5/16"

- flat 3/8"

4шт.

24

S504059

COVER

- yoke

2шт.

Выбрано товаров: 29