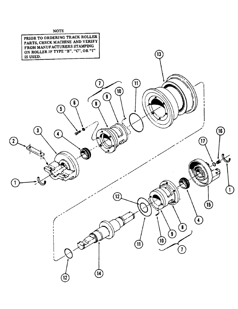
Запчасти Case 50 (018) - SINGLE FLANGE TRACK ROLLER, TYPE I, (S/N 6279926 AND AFTER) (48) - TRACKS & TRACK SUSPENSION

Схема запчастей Case 50 - (018) - SINGLE FLANGE TRACK ROLLER, TYPE I, (S/N 6279926 AND AFTER) (48) - TRACKS & TRACK SUSPENSION
FIT
1:1
100%

Артикул

Название

Примечание

Количество

S505093

ROLLER

- single flange track, Includes: Ref. 1 - 17

18шт.

1

S89317

RING, LOCKING

LOCK

2шт.

2

S89310

LOCK

KEY

1шт.

3

S89309

COLLAR

- inner

1шт.

4

S112384

KIT

SEAL - set (Serviced as a set only)

2шт.

5

114-218

BOLT,Hex, 3/8" - 24 x 7/8", Gr 5, Full Thd

CPSW - 3/8" NF x 7/8" gr 5

12шт.

6

192-21

LOCK WASHER,3/8"

WASHER, LOCK, 3/8"

12шт.

7

S112381

BUSHING

ASSEMBLY, Includes: Ref. 8 - 10

2шт.

8

NSS

NOT SOLD SEPARAT

CASE, bushing

1шт.

9

NSS

NOT SOLD SEPARAT

BUSHING

1шт.

10

NSS

NOT SOLD SEPARAT

PIN

2шт.

11

S112382

O-RING

"O" RING

2шт.

12

S112383

O-RING

"O" RING, Serial Range: (Collar-shaft)

2шт.

13

S89307

RIM

1шт.

14

S89316

SHAFT

1шт.

15

S89314

COLLAR

outer

1шт.

16

S113081

PLUG

- "O" ring

1шт.

17

S113087

O-RING

"O" RING

1шт.

Выбрано товаров: 18