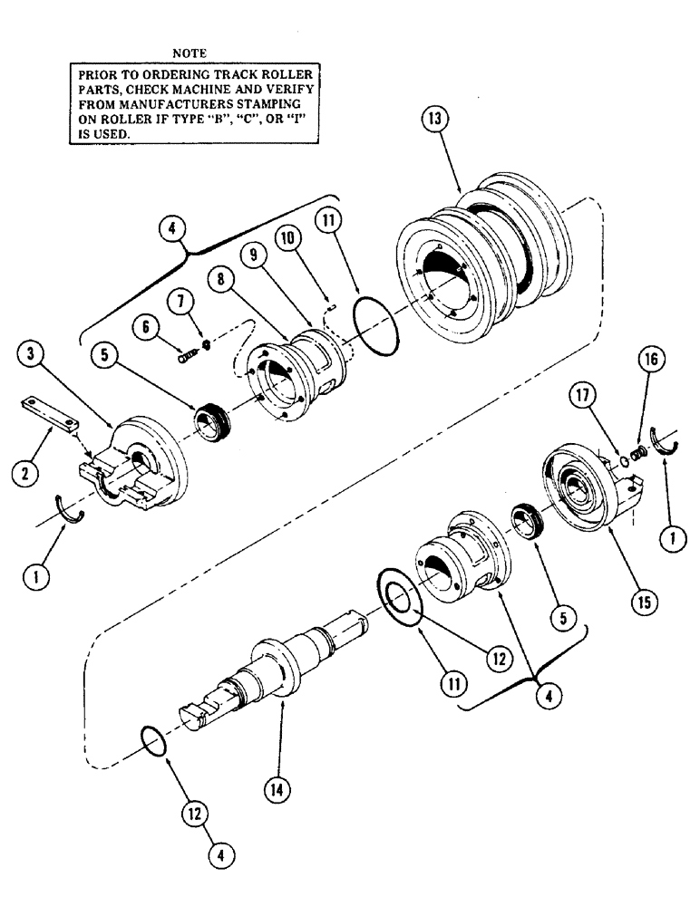
Запчасти Case 50 (024) - DOUBLE FLANGE TRACK ROLLER, TYPE I, (S/N 6279926 AND AFTER) (48) - TRACKS & TRACK SUSPENSION

Схема запчастей Case 50 - (024) - DOUBLE FLANGE TRACK ROLLER, TYPE I, (S/N 6279926 AND AFTER) (48) - TRACKS & TRACK SUSPENSION
FIT
1:1
100%

Артикул

Название

Примечание

Количество

S507721

ROLLER

- double flange track, Includes: Ref. 1 - 17

4шт.

1

S89317

RING, LOCKING

LOCK - key

2шт.

2

S89310

LOCK

KEY

1шт.

3

S89309

COLLAR

- inner

1шт.

4

S114381

BUSHING

ASSEMBLY, Includes: Ref. 5 - 12

2шт.

5

S112384

KIT

SEAL ASSEMBLY

1шт.

6

114-218

BOLT,Hex, 3/8" - 24 x 7/8", Gr 5, Full Thd

1шт.

7

192-21

LOCK WASHER,3/8"

WASHER, LOCK, 3/8"

6шт.

8

NSS

NOT SOLD SEPARAT

CASE - bushing

1шт.

9

NSS

NOT SOLD SEPARAT

BUSHING

1шт.

10

NSS

NOT SOLD SEPARAT

PIN

2шт.

11

S112382

O-RING

"O" RING

1шт.

12

S112383

O-RING

"O" RING, Serial Range: collar-shaft

2шт.

13

S114841

SHELL

RIM

1шт.

14

S89316

SHAFT

1шт.

15

S89314

COLLAR

- outer

1шт.

16

S113081

PLUG

- "O" ring 3/4" NC - socket head, Includes: Ref. 17

1шт.

17

S113087

O-RING

"O" RING

1шт.

Выбрано товаров: 18