Запчасти Case 50 (094) - WINDSHIELD WIPER KIT, (USED ON UNITS W/ CAB SN. A306826 & AFTER) (55) - ELECTRICAL SYSTEMS

Схема запчастей Case 50 - (094) - WINDSHIELD WIPER KIT, (USED ON UNITS W/ CAB SN. A306826 & AFTER) (55) - ELECTRICAL SYSTEMS
FIT
1:1
100%

Артикул

Название

Примечание

Количество

S615415

WIPER

KIT - wiper 24 volt, Includes: Ref. 1 - 13

1шт.

S615416

KIT

- wiper 12 volt, Includes: Ref. 1 - 13

1шт.

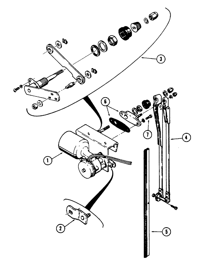
1

S239047

MOTOR, ELECTRIC

MOTOR - 24 volt

1шт.

S239046

MOTOR, ELECTRIC

MOTOR - 12 volt

1шт.

2

A36091

ARM

- drive

1шт.

3

S225151

SHAFT

- pivot

1шт.

4

L35260

ARM

- wiper

1шт.

5

S225152

BLADE

- wiper

1шт.

6

S61798

KIT

PLATE - adapter

1шт.

7

S61799

SCREW

- machine 1/4" x 5/8"

2шт.

8

S61880

LIGHT ASSY.

DOME LIGHT ASSY - 24 volt (Not illustrated), Includes: Ref. 9 - 13

1шт.

S61877

LIGHT

DOME LIGHT ASSY - 12 volt (Not illustrated), Includes: Ref. 9 - 13

1шт.

9

S72165

TERMINAL CONNECTOR

TERMINAL - (Not illustrated)

1шт.

10

S117176

LIGHT - dome (Not illustrated)

1шт.

11

S96651

BULB

- 24 volt (Not illustrated)

1шт.

B50223

BULB

- 12 volt (Not illustrated)

1шт.

12

NSS

NOT SOLD SEPARAT

SWITCH - (Not illustrated)

1шт.

13

182-522

SCREW,Cross Pan Hd, #6 - 32 x 1/2"

- machine no. 6 x 1/2" mounts dome light (Not illustrated) (Replaces S60825)

4шт.

Выбрано товаров: 18