Запчасти Case 50 (288) - ALTERNATOR, (USED ON UNITS WITH SERIAL NUMBER 6280345 & AFTER)(SN. 6279926 & AFTER) (55) - ELECTRICAL SYSTEMS

Схема запчастей Case 50 - (288) - ALTERNATOR, (USED ON UNITS WITH SERIAL NUMBER 6280345 & AFTER)(SN. 6279926 & AFTER) (55) - ELECTRICAL SYSTEMS
FIT
1:1
100%

Артикул

Название

Примечание

Количество

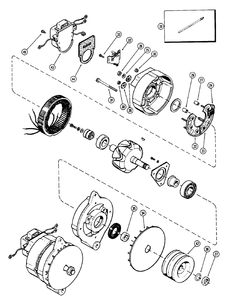
22

A47165

DIODE

RECTIFIER ASSEMBLY - negative, w/diodes & studs, Serial Range: (Anode-plate)

1шт.

23

A47164

DIODE

RECTIFIER ASSEMBLY - positive, w/diodes & studs, Serial Range: (Cathode-plate)

1шт.

24

A45253

DIODE ELEMENT

DIODE ASSY - trio

1шт.

25

192-18

LOCK WASHER,Helical Spring, #10, 0.196" ID, CST, ZND

WASHER, LOCK, #10

3шт.

25

192-19

LOCK WASHER,Helical Spring, 0.256" ID, CST, ZND

WASHER, LOCK, 1/4"

1шт.

26

129-17

NUT,Hex, #10 - 24

NUT - no. 10 NC hex

1шт.

26

129-141

JAM NUT,Jam, 1/4"-20, G5

1шт.

27

A45254

SPACER

- trio diode

1шт.

28

A44771

SLEEVE CYLINDER

SLEEVE - insulator (1/4 x 5/16 x 1/2")

1шт.

28

A47156

SLEEVE CYLINDER

SLEEVE - insulator (3/16 x 1/4 x 3/8)

1шт.

29

A45053

WASHER

- insulating (3/16 x 3/4 x 1/16")

2шт.

29

A41038

WASHER

- insulating (3/16 x 3/4 x 1/16")

2шт.

30

A41060

LOCK NUT

NUT - no. 10 - 24 hex, w/ext. skpf washer)

3шт.

31

A45030

BOLT

- thru (No. 10 NF x 4")

4шт.

32

A41048

BRUSH, COMMUTATOR

BRUSH ASSY - w/holder

1шт.

33

A44780

SCREW

- brush holder to rear housing

2шт.

34

A42431

FAN

- ventilating

1шт.

35

A47162

SPACER

- fan

1шт.

36

192-25

LOCK WASHER,5/8"

WASHER, LOCK, , Pulley 5/8"

1шт.

37

A41035

NUT

- pulley retaining

1шт.

38

T54520

STRAP

WRAP - wire locking (Nylon tie)

2шт.

42

A41361

PULLEY

1шт.

43

A47167

REGULATOR

ASSY - voltage

1шт.

44

A47159

GASKET

- regulator to rear housing

1шт.

45

182-519

SCREW,Sl Pan Hd, #4 - 40 x 3/16"

- regulator mounting (No. 8 - 32 x 1/2" self tapping)

2шт.

45

182-1089

SCREW - regulator mounting (No. 8 - 32 x 3/4" sltd hex. washer head

2шт.

Выбрано товаров: 26