Запчасти Case 50 (312) - OPTIONAL WORK LIGHTS AND ATTACHING PARTS, (USED ON UNITS WITH SN.6279926-6280344)(SN.6279926 & AFTER (55) - ELECTRICAL SYSTEMS

Схема запчастей Case 50 - (312) - OPTIONAL WORK LIGHTS AND ATTACHING PARTS, (USED ON UNITS WITH SN.6279926-6280344)(SN.6279926 & AFTER (55) - ELECTRICAL SYSTEMS
FIT
1:1
100%

Артикул

Название

Примечание

Количество

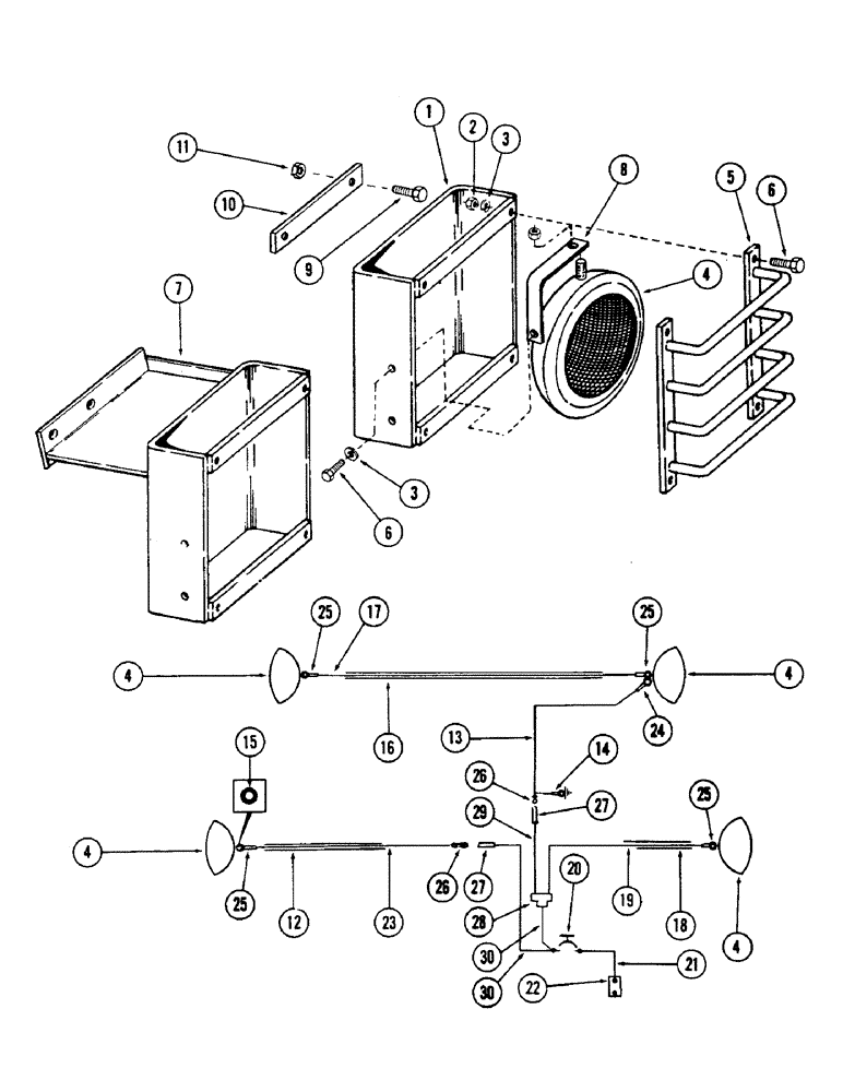
1

S212579

GUARD

- housing

4шт.

2

129-103

NUT,Hex, 3/8" - 16, Gr 5

NUT, 3/8"-16, G5

17шт.

3

192-21

LOCK WASHER,3/8"

WASHER, LOCK, 3/8"

21шт.

4

D45651

LIGHT

(Replaces S203058)

4шт.

5

S212578

PROTECTOR

GUARD - protector

4шт.

6

113-208

BOLT,Hex, 3/8" - 16 x 1-1/4", Gr 5

21шт.

7

S511592

BRACKET

GUARD - (Mounts on top of cab with existing hardware)

1шт.

8

S222287

BRACKET

ASSEMBLY

4шт.

9

80087972

BOLT,Hex, 1/2" - 13 x 2 1/2", Gr 5

CPSW - 1/2" - 13 NC x 2-1/2" gr 5

2шт.

10

S86493

SPACER

- (Mounts between ref 1 and turntable)

1шт.

11

131-492

NUT,1/2"-13

NUT - self locking 1/2" - 13 NC

2шт.

12

S62256

LOOM

- (Bulk) 1 piece x 21" long (21")

1шт.

13

NSS

NOT SOLD SEPARAT

WIRE - no. 10 gauge (21) conductors S.O. heavy duty (1 piece x 40" long) (40")

1шт.

14

223-54

TERMINAL CONNECTOR,10 - 12

TERMINAL - eyelet

1шт.

15

A61144

GROMMET,1/2" ID x 13/16" Groove Dia, Str Cut

- (In cab)

2шт.

16

S62256

LOOM

- (Bulk) 1 piece x 32" long (32")

1шт.

17

NSS

NOT SOLD SEPARAT

WIRE - no. 10 gauge plastic coated (1 piece x 34" long) (34")

1шт.

18

S62256

LOOM

- (Bulk) 1 piece x 8" long (8")

1шт.

19

NSS

NOT SOLD SEPARAT

WIRE - no. 10 gauge plastic coated (1 piece x 76" long) (76")

1шт.

20

S88636

IGNITION SWITCH

SWITCH - light

1шт.

21

S213795

ELECTRICAL WIRE

WIRE

1шт.

22

S231437

BREAKER

- circuit

1шт.

23

NSS

NOT SOLD SEPARAT

WIRE - no. 10 gauge plastic coated (1 piece x 19" long) (19")

1шт.

24

223-57

TERMINAL - eyelet

1шт.

25

223-53

TERMINAL - eyelet

4шт.

26

223-191

TERMINAL CONNECTOR,14 - 16

TERMINAL - male wire

3шт.

27

223-260

ELECTRICAL WIRE

TERMINAL - female wire

2шт.

28

223-270

CONNECTOR - 3 plug

1шт.

29

S234166

WIRE - jumper

1шт.

30

S234167

WIRE - jumper

2шт.

31

49985

O-RING

CLAMP - cable (To left hand light bracket) (Not illustrated)

1шт.

32

S73387

CLIP

CLAMP - cable (Not illustrated)

25шт.

D46299

LAMP

LIGHT sealed beam

1шт.

Выбрано товаров: 33