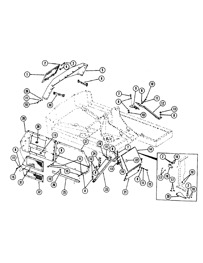
Запчасти Case 50 (098) - TURNTABLE SHROUDING AND RELATED PARTS, (RIGHT SIDE AND REAR) (USED ON UNITS W/ SN. 6279926-6280344) (90) - PLATFORM, CAB, BODYWORK AND DECALS

Схема запчастей Case 50 - (098) - TURNTABLE SHROUDING AND RELATED PARTS, (RIGHT SIDE AND REAR) (USED ON UNITS W/ SN. 6279926-6280344) (90) - PLATFORM, CAB, BODYWORK AND DECALS
FIT
1:1
100%

Артикул

Название

Примечание

Количество

1

S508750

DOOR - rear

1шт.

S219346

LATCH

2шт.

2

195-103

WASHER,5/16"

- flat 3/8"

1шт.

3

113-209

BOLT,Hex, 3/8" - 16 x 1-1/2", Gr 5

1шт.

4

87016560

JAM NUT,Jam, 3/8"-16, G5

1шт.

5

S606790

SHROUD - rear

1шт.

6

S219473

BRACE

- (Left hand)

1шт.

113-3

BOLT,Hex, 1/4" - 20 x 3/4", Gr 5

3шт.

113-4

BOLT,Hex, 1/4" - 20 x 1", Gr 5

2шт.

195-518

WASHER,1/4", SAE

- flat 1/4"

2шт.

86625061

NUT,1/4"-20, GB

NUT - self locking 1/4" NC

5шт.

7

113-410

BOLT,Hex, 1/2" - 13 x 1-1/2", Gr 5, Full Thd

1шт.

8

S95569

WASHER

- flat 1/2"

1шт.

9

S231433

BRACKET - brace

2шт.

10

113-417

BOLT,Hex, 1/2" - 13 x 1-1/4", Gr 5, Full Thd

1шт.

11

192-23

LOCK WASHER,1/2"

WASHER, LOCK, 1/2"

1шт.

12

S231435

BRACE - (Left hand)

1шт.

13

131-70

NUT,1/2"-13, GB

NUT - self locking (1/2" NC)

1шт.

14

S508749

DOOR - front

1шт.

15

113-424

BOLT,Hex, 1/2" - 13 x 1", Gr 5, Full Thd

1шт.

16

131-52

NUT,3/8"-16, GC

NUT - 3/8" NC

1шт.

17

113-207

BOLT,Hex, 3/8" - 16 x 1", Gr 5

1шт.

18

S221455

BRACKET

- hinge

1шт.

19

S217887

PIN

ASSEMBLY - (Consists of pin and washer)

1шт.

S81895

COTTER PIN

PIN - hair

1шт.

REPLACED BY A70250

1шт.

20

S221453

BRACKET

- hinge

1шт.

21

S219991

SHEET

- front

1шт.

22

S219346

LATCH

- door

1шт.

23

S231434

BRACE - (Right hand)

1шт.

24

S220374

BRACKET

1шт.

25

S219989

ANGLE

1шт.

26

S95569

WASHER

- flat 1/2"

1шт.

27

S606791

SHROUD - side panel (Right front)

1шт.

28

S94090

SPACER

- shroud mounting

3шт.

29

S602600

SHROUD - side panel (Right rear)

1шт.

30

S219460

BRACE

- (Right hand)

1шт.

113-3

BOLT,Hex, 1/4" - 20 x 3/4", Gr 5

3шт.

113-4

BOLT,Hex, 1/4" - 20 x 1", Gr 5

2шт.

195-518

WASHER,1/4", SAE

- flat 1/4"

2шт.

86625061

NUT,1/4"-20, GB

NUT - self locking 1/4" NC

5шт.

S505912

GRILLE - top side (Rear shroud) (Right)

1шт.

S505911

GRILLE - bottom side (Rear shroud) (Right)

1шт.

Выбрано товаров: 43