Запчасти Case 50 (048) - AIR CLEANER & ATTACHING PARTS FOR: CASE 504BDT DIESEL ENGINE,(USED ON UNITS W/ SN. 6280345 & AFTER) (10) - ENGINE

Схема запчастей Case 50 - (048) - AIR CLEANER & ATTACHING PARTS FOR: CASE 504BDT DIESEL ENGINE,(USED ON UNITS W/ SN. 6280345 & AFTER) (10) - ENGINE
FIT
1:1
100%

Артикул

Название

Примечание

Количество

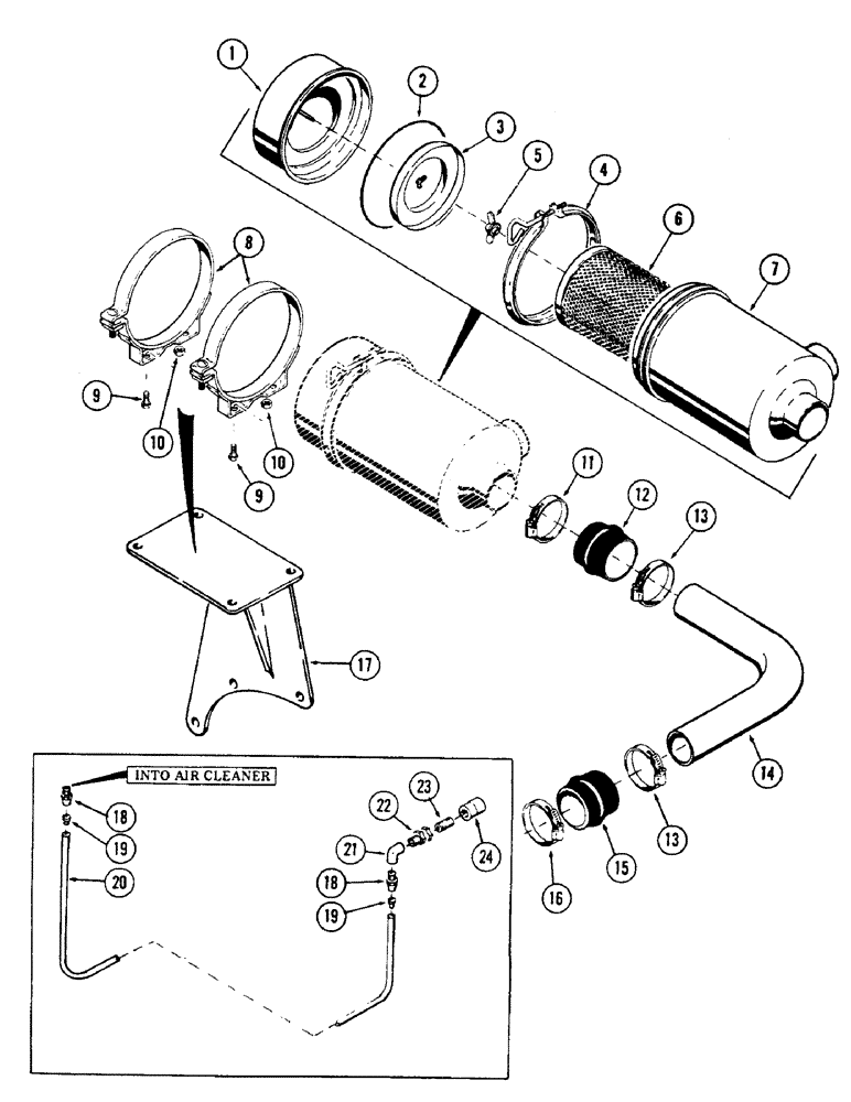
S609421

AIR CLEANER

CLEANER - air, Includes: Ref. 1 - 7

1шт.

1

S221315

COVER

CUP

1шт.

2

L30943

GASKET

O-RING

1шт.

3

S221314

BAFFLE

1шт.

4

L30936

CLAMP

1шт.

5

L35499

NUT

SCREW ASSY

1шт.

6

S231996

AIR FILTER

ELEMENT - air cleaner

1шт.

7

NSS

NOT SOLD SEPARAT

BODY - air cleaner

1шт.

8

S219922

BAND

- mounting

2шт.

9

113-207

BOLT,Hex, 3/8" - 16 x 1", Gr 5

4шт.

10

131-52

NUT,3/8"-16, GC

NUT - lock 3/8" NC hex

4шт.

11

214-363

CLAMP,#140, 5.25"-5.56", T-Bolt

- hose

1шт.

12

S106022

REDUCER

HUMP - reducer

1шт.

13

214-361

CLAMP,#108, 4.25"-4.56", T-Bolt

- hose

2шт.

14

S511812

LINE,4" OD x 12.56, 12.56" L

TUBE

1шт.

15

A56094

HOSE

ADAPTER - rubber

1шт.

16

214-263

HOSE CLAMP,#48, 2.56" - 3.5", Type F Worm

CLAMP - hose

1шт.

17

S513202

BRACKET - air cleaner mounting

1шт.

18

222-1839

FITTING,17/32"-24 x 1/8" NPT

CONNECTOR - 5/8" tube x 1/8" PT

2шт.

19

222-2446

INSERT,1/4" Tube

- 3/8" tube

2шт.

20

S85503

TUBE,37.5" OD

- 50" (Air cleaner to air restrictor)

1шт.

21

217-1050

90 ELBOW,1/8" - 27 NPTF Female

90 degrees - 1/8" PT

1шт.

22

217-226

COUPLING

FITTING - bulkhead

1шт.

23

221-101

PIPE,Nipple, 1/8" NPT x 3/4"

NIPPLE - 1/8" PT

1шт.

24

A59568

INDICATOR

- air restrictor

1шт.

Выбрано товаров: 25