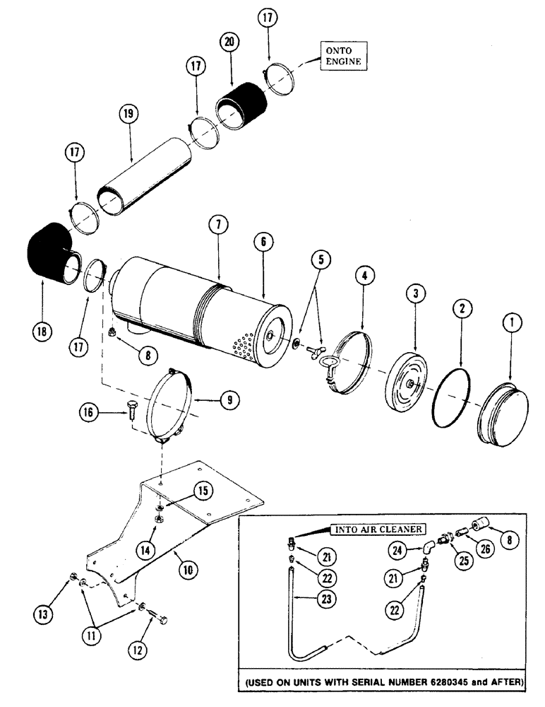
Запчасти Case 50 (050) - AIR CLEANER & ATTACHING PARTS FOR:, DETROIT DIESEL 6V-53 ENGINE, (SN.6279926 & AFTER) (10) - ENGINE

Схема запчастей Case 50 - (050) - AIR CLEANER & ATTACHING PARTS FOR:, DETROIT DIESEL 6V-53 ENGINE, (SN.6279926 & AFTER) (10) - ENGINE
FIT
1:1
100%

Артикул

Название

Примечание

Количество

W15254

CLEANER - air, Includes: Ref. 1 - 7

1шт.

1

W15344

CUP

1шт.

2

L35498

O-RING,12.62" ID x 0.27" Width

"O" RING

1шт.

3

L33137

COVER

BAFFLE

1шт.

4

L33136

CLAMP

1шт.

5

D50939

BOLT (SPREADER)

SCREW ASSEMBLY

1шт.

6

S221347

ELEMENT

- air cleaner

1шт.

7

NSS

NOT SOLD SEPARAT

BODY - air cleaner

1шт.

8

A59569

INDICATOR

FILTER INDICATOR - air cleaner

1шт.

9

S219931

CLAMP

BAND - mounting

2шт.

10

S511487

BRACKET - air cleaner mounting

1шт.

11

195-105

WASHER,7/16"

- flat 1/2"

4шт.

12

113-412

BOLT,Hex, 1/2" - 13 x 1-3/4", Gr 5

CPSW - 1/2" NC x 1-1/2" gr 5

2шт.

13

131-492

NUT,1/2"-13

NUT - self locking 1/2" NC

2шт.

14

231-1447

NUT,7/16"-14, GB

NUT, LOCK, 7/16"-14, GB

4шт.

15

192-22

LOCK WASHER,7/16"

WASHER, LOCK, 7/16"

4шт.

16

113-312

BOLT,Hex, 7/16" - 14 x 1-1/4", Gr 5

4шт.

17

214-365

CLAMP,#156, 5.75"-6.06", T-Bolt

4шт.

18

L24691

ADAPTER

ELBOW - 45 degrees rubber

1шт.

19

S104006

TUBE,5.5" OD x 12.05" L

1шт.

20

L13265

HOSE

ADAPTER - rubber

1шт.

21

222-1839

FITTING,17/32"-24 x 1/8" NPT

CONNECTOR - 5/8" tube x 1/8" PT

2шт.

22

222-2446

INSERT,1/4" Tube

- 3/8" tube

2шт.

23

S85503

TUBE,37.5" OD

- 50" (Air cleaner to air restrictor)

1шт.

24

217-1050

90 ELBOW,1/8" - 27 NPTF Female

90 degrees - 1/8" PT

1шт.

25

217-226

COUPLING

FITTING - bulkhead

1шт.

26

221-101

PIPE,Nipple, 1/8" NPT x 3/4"

NIPPLE - 1/8" PT

1шт.

Выбрано товаров: 27