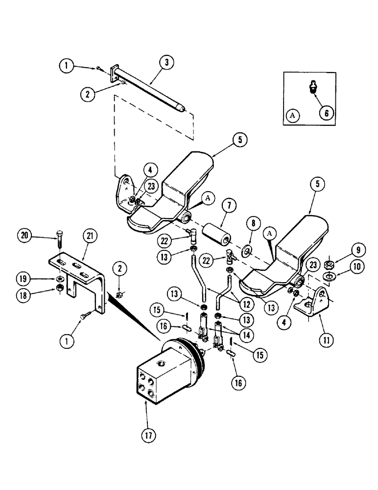
Запчасти Case 50 (150) - FOOT PEDAL CONTROL AND ATTACHING PARTS, (USED ON UNITS W/ SN. 6280345 & AFTER) (SN. 6279926 & AFTER) (33) - BRAKES & CONTROLS

Схема запчастей Case 50 - (150) - FOOT PEDAL CONTROL AND ATTACHING PARTS, (USED ON UNITS W/ SN. 6280345 & AFTER) (SN. 6279926 & AFTER) (33) - BRAKES & CONTROLS
FIT
1:1
100%

Артикул

Название

Примечание

Количество

1

113-4

BOLT,Hex, 1/4" - 20 x 1", Gr 5

5шт.

2

86625061

NUT,1/4"-20, GB

NUT - self locking 1/4" NC

5шт.

3

S218965

SHAFT ASSY.

SHAFT

1шт.

4

131-493

NUT

- self locking 3/8" NF

2шт.

5

S511074

PEDAL

- foot control

2шт.

6

219-8

LUBE NIPPLE,1/4" - 28 NPTF

NIPPLE, LUBE, 1/4"-28 NPT x .54" lg

2шт.

7

S64465

SPACER

1шт.

8

195-41

WASHER,5/8"

(Use as spacers) 5/8"

1шт.

9

131-70

NUT,1/2"-13, GB

NUT - self locking 1/2" NC

2шт.

10

95-8

WASHER,1/2"

flat 1/2"

2шт.

11

S232225

BRACKET - foot pedal mounting

1шт.

12

S236860

ROD

2шт.

13

86585245

SPECIAL NUT,JAM, 5/8" - 18

- jam 3/8" NF

4шт.

14

S66383

YOKE

2шт.

15

132-71

COTTER PIN,5/32" x 1 1/4"

Pin, Split (Cotter), 5/32" x 1 1/4"

2шт.

16

S105940

PIN,11.02mm OD x 22.23mm L

- clevis

2шт.

17

REF

INSTRUCTION

VALVE - control (For breakdown, see figure 256)

1шт.

18

131-52

NUT,3/8"-16, GC

NUT - self locking 3/8" NC

3шт.

19

195-103

WASHER,5/16"

- flat 3/8"

3шт.

20

113-233

BOLT,Hex, 3/8" - 16 x 1-3/4", Gr 5

3шт.

21

S513598

BRACKET

- control valve mounting

1шт.

22

S215594

BALL

JOINT

2шт.

23

193-30

LOCK WASHER,Int Tooth, 3/8"

WASHER, LOCK, Int Tooth, 3/8"

2шт.

Выбрано товаров: 23