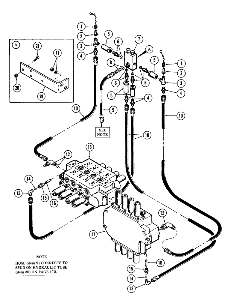
Запчасти Case 50 (158) - MAIN CONTROL VALVE POWER SENSING TUBING (USED ON UNITS W/ SN. 6280345 & AFTER) (SN. 6279926 & AFTER) (35) - HYDRAULIC SYSTEMS

Схема запчастей Case 50 - (158) - MAIN CONTROL VALVE POWER SENSING TUBING (USED ON UNITS W/ SN. 6280345 & AFTER) (SN. 6279926 & AFTER) (35) - HYDRAULIC SYSTEMS
FIT
1:1
100%

Артикул

Название

Примечание

Количество

1

S206608

CAP

DISCONNECT - quick

2шт.

2

S206607

DISC

CAP - dust

2шт.

3

217-1175

TEE,1/8"-27 Male x 1/8"-27 Female Run

- 1/4" NPT male x 1/4" NPT male x 1/4" NPT female

2шт.

4

218-455

HYD CONNECTOR,3/4" - 16 Male JIC x 1/4" - 18 Male NPTF

ADAPTER - (1/2" tube) 3/4" - 16 male x 1/4" NPT male 37 degrees flared

4шт.

5

S98004

FILTER

VALVE - check

4шт.

6

S11271

FITTING

CONNECTOR - (3/8" tube) 9/16" - 18 male x 1/4" NPT male 37 degrees flared)

4шт.

S6059

O-RING,0.078" Thk x 0.468" ID, -906, Cl 6, 90 Duro

"O" RING

4шт.

7

REF

INSTRUCTION

VALVE - power sensing relief (For breakdown, see figure 242)

1шт.

8

S7982

COUPLING, BREAK AWAY

CONNECTOR - (5/8" tube) 3/4" - 16 male x 7/8" - 14 male 37 degrees flared

1шт.

S6061

O-RING,0.639" ID x 0.09" Width

"O" RING

1шт.

9

S8581

HOSE ASSY.

HOSE - high pressure 1/2" ID x 48" long (With 7/8" - 14 female pressed on couplings)

4шт.

10

S11229

HOSE ASSY.

HOSE - high pressure 1/2" ID x 48" long (With 3/4" - 16 female pressed on couplings)

4шт.

11

131-70

NUT,1/2"-13, GB

NUT - self locking (1/2" NC (Bracket to turntable)

2шт.

S95569

WASHER

- flat 1/2"

2шт.

12

S64376

ELBOW

- 90 degrees (1/2" tube) 3/4" - 16 male x 9/16" - 18 male 37 degrees flared

2шт.

S6059

O-RING,0.078" Thk x 0.468" ID, -906, Cl 6, 90 Duro

"O" RING

2шт.

13

218-1055

ELBOW,90 Degree, 3/4"-16, 37 Degree x 1/4"-18, NPTF

- 90 degrees (1/2" tube) 3/4" - 16 male x 1/4" NPT male 37 degrees flared

2шт.

14

S114908

RESTRICTOR

- flow

2шт.

15

221-790

COUPLING - pipe reducing 1/8" NPT female x 1/4" NPT female

2шт.

16

221-1908

PIPE,Nipple, 3/4" NPT x 2", X-Strng

NIPPLE - long 1/8" NPT male

2шт.

17

REF

INSTRUCTION

VALVE - 4-spool main control (For breakdown, see figure 263A)

1шт.

18

REF

INSTRUCTION

VALVE - 4-spool main control (For breakdown, see figure 260)

1шт.

19

S512938

BRACKET - valve mounting

1шт.

20

86625061

NUT,1/4"-20, GB

NUT - self locking 1/4" NC

2шт.

21

113-15

BOLT,Hex, 1/4" - 20 x 2-1/4", Gr 5

CPSW - 1/4" NC x 2-1/4" gr 5 (Valve to bracket)

2шт.

Выбрано товаров: 25