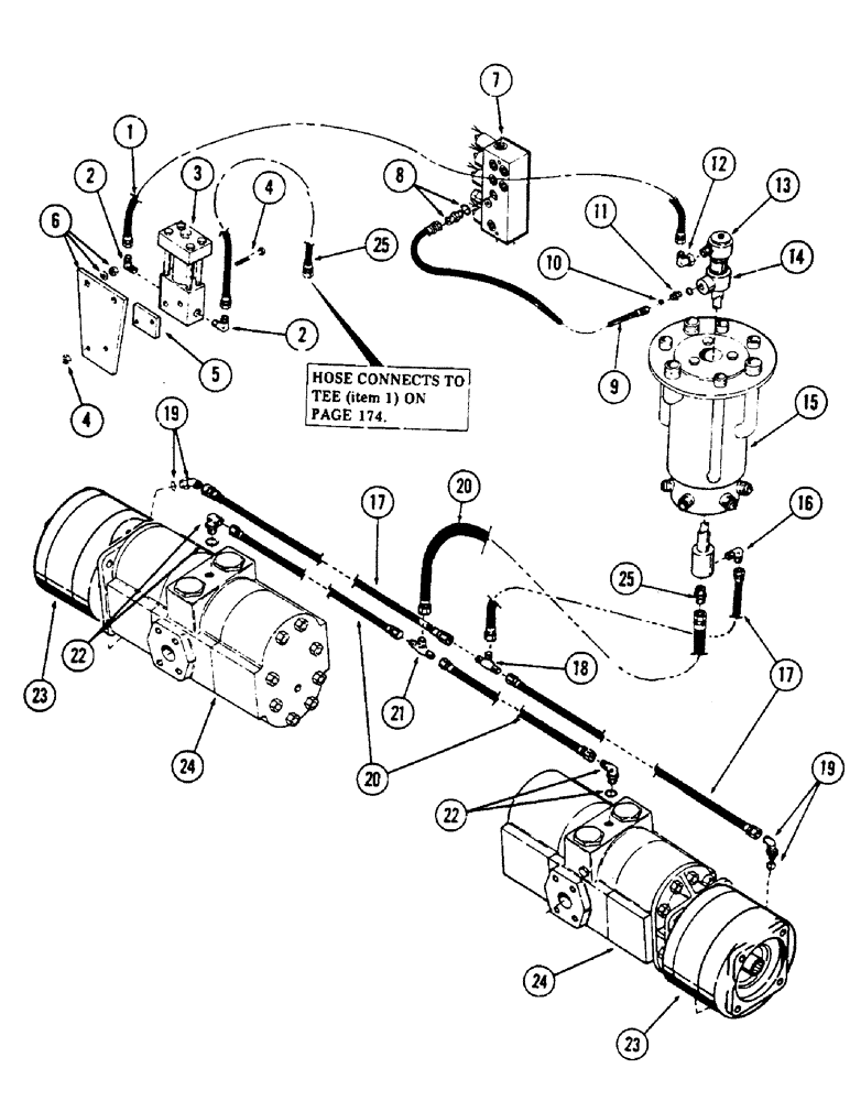
Запчасти Case 50 (189E) - HI-LOW RANGE AND DRIVE BRAKE TUBING, (USED ON UNITS W/ SN. 6280259 AND AFTER)(SN. 6279926 & AFTER) (35) - HYDRAULIC SYSTEMS

Схема запчастей Case 50 - (189E) - HI-LOW RANGE AND DRIVE BRAKE TUBING, (USED ON UNITS W/ SN. 6280259 AND AFTER)(SN. 6279926 & AFTER) (35) - HYDRAULIC SYSTEMS
FIT
1:1
100%

Артикул

Название

Примечание

Количество

1

S77121

HOSE

- high pressure 1/4" ID x 20" long (With 9/16" - 18 female pressed on couplings)

2шт.

2

218-1053

ELBOW,90 Degree, 9/16"-18, 37 Degree x 3/8"-18, NPTF

- 90 degrees (3/8" tube) 9/16" - 18 male x 3/8" NPT male 37 degrees flared

2шт.

3

REF

INSTRUCTION

VALVE - hi-low range selector solenoid (For breakdown, see figure 248 or 250)

1шт.

4

113-15

BOLT,Hex, 1/4" - 20 x 2-1/4", Gr 5

CPSW - 1/4" NC x 2-1/4" gr 5

2шт.

86625061

NUT,1/4"-20, GB

NUT - self locking 1/4" NC

2шт.

5

S106054

BAR

1шт.

6

S229694

BRACKET

1шт.

7

REF

INSTRUCTION

VALVE - solenoid monoblock (For breakdown, see figure 244 or 246)

1шт.

8

S7961

CONNECTOR, ELEC

CONNECTOR - (3/8" tube) 9/16" - 18 male x 9/16" - 18 male 37 degrees flared

1шт.

S6059

O-RING,0.078" Thk x 0.468" ID, -906, Cl 6, 90 Duro

"O" RING

1шт.

9

S227396

HOSE ASSY.

HOSE - high pressure 3/8" ID x 50" long (With 9/16" - 18 female pressed on couplings)

1шт.

10

S89669

VALVE

RESTRICTOR - flow

1шт.

11

S95069

FITTING

CONNECTOR - (3/8" tube) 7/16" - 20 male x 9/16" - 18 male 37 degrees flared

1шт.

S6057

O-RING

"O" RING

1шт.

REPLACED BY 218-5003

1шт.

12

218-980

ELBOW,90 Degree, 9/16"-18, 37 Degree x 9/16"-18, 37 Degree Fem Sw

- 90 degrees swivel (3/8" tube) 9/16" - 18 male x 9/16" - 18 female 37 degrees flared

1шт.

13

REF

INSTRUCTION

SWIVEL - service (For breakdown, see figure 114)

1шт.

14

REF

INSTRUCTION

SWIVEL - inner (See figure 112 for inner swivel and attaching parts)

1шт.

15

REF

INSTRUCTION

SWIVEL - 7 port (For breakdown, see figure 218)

1шт.

16

218-481

ELBOW,90 Degree Elbow, 7/16" - 20 Male JIC x 1/8" - 27 Male NPTF

- 90 degrees (1/4" tube) 7/16" - 20 male x 1/8" NPT male 37 degrees flared

1шт.

17

S77467

HOSE

- high pressure 1/4" ID x 38" long (With 7/16" - 20 female pressed on couplings)

3шт.

18

218-591

TEE,7/16"-20, 37 Degree

- (1/4" tube) 7/16" - 20 male x 7/16" - 20 male x 7/16" - 20 male 37 degrees flared

1шт.

19

218-5133

ELBOW,45 Degree Elbow, 7/16" - 20 Male JIC x 7/16" - 20 Male ORB

- 45 degrees adjustable (1/4" tube) 7/16" - 20 male x 7/16" - 20 male 37 degrees flared

2шт.

218-5003

O-RING,0.072" Thk x 0.351" ID, -904, Cl 6, 90 Duro

4-1, 90 Duro, .351" ID x .072" Thk

2шт.

20

S11227

HOSE

- high pressure 3/8" ID x 36" long (With 3/4" - 16 female pressed on couplings)

3шт.

21

218-594

TEE,3/4"-16, 37 Degree

- (1/2" tube) 3/4" - 16 male x 3/4" - 16 male x 3/4" - 16 male 37 degrees flared

1шт.

22

S64376

ELBOW

- 90 degrees adjustable (1/2" tube) 3/4" - 16 male x 9/16" - 18 male 37 degrees flared

2шт.

S6061

O-RING,0.639" ID x 0.09" Width

"O" RING - .644" ID x .818" OD

2шт.

23

REF

INSTRUCTION

BRAKE - track drive (For breakdown, see figures 32 thru 36)

2шт.

24

REF

INSTRUCTION

MOTOR - track drive (For breakdown, see figure 230)

2шт.

25

S77121

HOSE

- high pressure 1/4" ID x 20" long (With 9/16" - 18 female pressed on couplings)

1шт.

Выбрано товаров: 31