Запчасти Case 50 (198) - OPTIONAL LEVELER TUBING, (USED ON UNITS W/O OPTIONAL AUXILIARY)(USED ON UNITS W/SN.6280345 AND AFTER (35) - HYDRAULIC SYSTEMS

Схема запчастей Case 50 - (198) - OPTIONAL LEVELER TUBING, (USED ON UNITS W/O OPTIONAL AUXILIARY)(USED ON UNITS W/SN.6280345 AND AFTER (35) - HYDRAULIC SYSTEMS
FIT
1:1
100%

Артикул

Название

Примечание

Количество

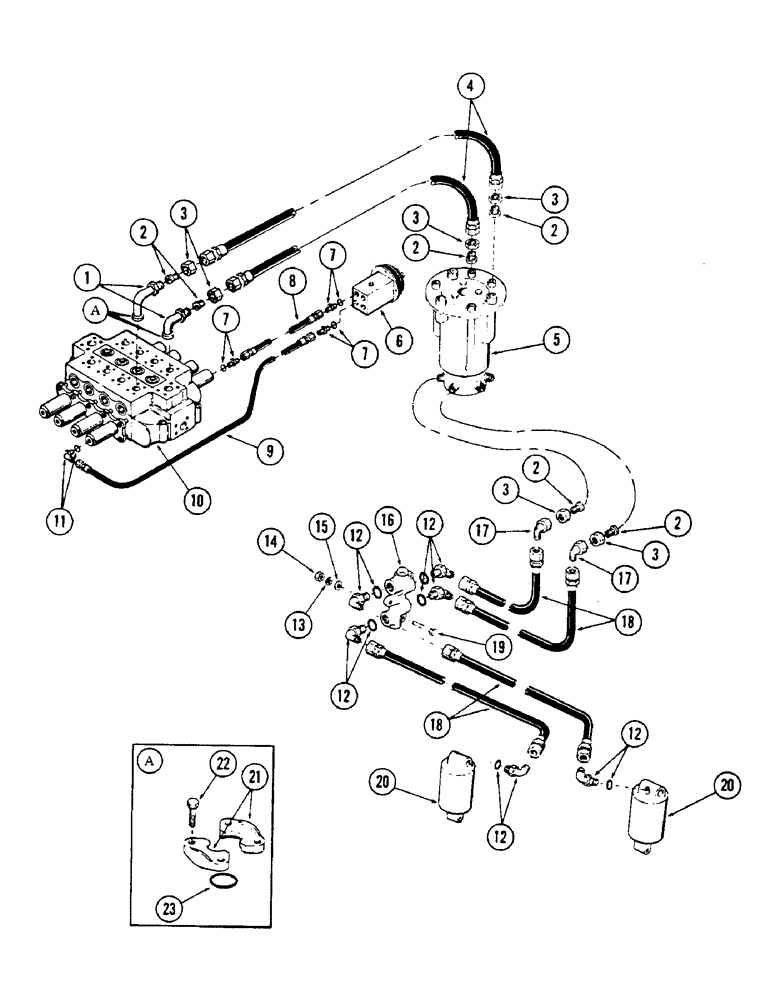
1

S232114

ADAPTER

TUBE - hydraulic

2шт.

2

218-796

REDUCER,37 Degree, 5/8" x 3/8" Tube

ADAPTER - reducing (3/4" x 1/2" tube reduction) 3/4" - 16 male 37 degrees flared

6шт.

3

218-346

TUBE NUT,37 Degree, 1 1/16"-12, Type B

NUT - sleeve (3/4" tube) 1-1/16" - 12 female 37 degrees flared

6шт.

4

S11231

HOSE ASSY.

HOSE - high pressure 3/8" ID x 68" long (With 3/4" - 16 female pressed on couplings)

2шт.

5

REF

INSTRUCTION

SWIVEL - 7-port hydraulic (For breakdown, see figure 260)

1шт.

6

REF

INSTRUCTION

VALVE - control (For breakdown, see figure 256)

1шт.

7

S7961

CONNECTOR, ELEC

CONNECTOR - (3/8" tube) 9/16" - 18 male x 9/16" - 18 male 37 degrees flared

3шт.

S6059

O-RING,0.078" Thk x 0.468" ID, -906, Cl 6, 90 Duro

"O" RING

3шт.

8

S227397

HOSE ASSY.

HOSE - high pressure 3/8" ID x 70" long (With 9/16" - 18 female pressed on couplings)

1шт.

9

S232015

HOSE - high pressure 3/8" ID x 80" long (With 9/16" - 18 female pressed on couplings)

1шт.

10

REF

INSTRUCTION

VALVE - 4-spool main control (For breakdown, see figure 260)

1шт.

11

76344

90 ELBOW,9/16" - 18 JIC x 9/16" - 18 ORB

Adjustable (3/8" tube) 90º, 9/16"-18, 37º x 9/16"-18, O-Ring

1шт.

S6059

O-RING,0.078" Thk x 0.468" ID, -906, Cl 6, 90 Duro

"O" RING

1шт.

12

S7939

ELBOW

- 90 degrees adjustable (1/2" tube) 3/4" - 16 male x 3/4" - 16 male 37 degrees flared

6шт.

S6061

O-RING,0.639" ID x 0.09" Width

"O" RING

6шт.

13

192-19

LOCK WASHER,Helical Spring, 0.256" ID, CST, ZND

WASHER, LOCK, 1/4"

2шт.

14

7770

NUT,Hex, 1/4 - 20, Cl 5

1/4"-20, G5

2шт.

15

195-102

WASHER,1/4"

- flat 1/4"

2шт.

16

REF

INSTRUCTION

VALVE - leveler check (For breakdown, see figure 238)

1шт.

17

218-5230

ELBOW,90 Degree, 3/4"-16, 37 Degree x 3/4"-16, 37 Degree Fem Sw

- 90 degrees swivel (1/2" tube) 3/4" - 16 male x 3/4" - 16 female 37 degrees flared

2шт.

18

S11226

HOSE

- high pressure 3/8" ID x 20" long (With 3/4" - 16 female pressed on couplings)

4шт.

19

113-14

BOLT,Hex, 1/4" - 20 x 2", Gr 5

Hex, 1/4"- 20 x 2", G5

2шт.

20

REF

INSTRUCTION

CYLINDER - leveler (For breakdown, see figure 210)

2шт.

21

A12306

FLANGE

CLAMP - half flange

4шт.

22

113-208

BOLT,Hex, 3/8" - 16 x 1-1/4", Gr 5

8шт.

23

S6583

O-RING,0.139" Thk x 1.296" ID, -219, Cl 6, 90 Duro

"O" RING - 1.296" ID x 1.574" OD

2шт.

Выбрано товаров: 26