Запчасти Case 115CL (160) - No Description Provided

Схема запчастей Case 115CL - (160) - No Description Provided
FIT
1:1
100%

Артикул

Название

Примечание

Количество

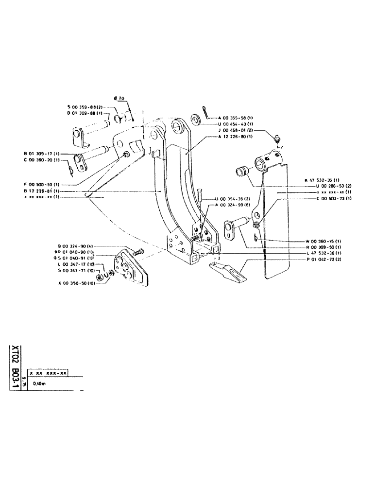
P35988

BUSHING

2шт.

P130988

1шт.

P130917

LARGE PIN

1шт.

P36020

SPLIT PIN/SAFETY PIN

1шт.

P50053

SHAFT LOCK

1шт.

P1222681

STIFFENER

1шт.

P32490

SCREW

4шт.

P104090

BLADE

1шт.

P104091

BLADE

1шт.

P34717

WASHER, LOCK

WASHER

10шт.

P34171

NUT

10шт.

P35050

WASHER

10шт.

P35558

SPLIT PIN

8 x 100

1шт.

P45443

WASHER

1шт.

J45801

LUBE NIPPLE,M8 x 1.25

GREASE NIPPLE, M8 x 1.25

2шт.

P1222680

STIFFENER

1шт.

P35438

RIVET

2шт.

P32499

SCREW

6шт.

P4753235

KNOCKER

1шт.

P28653

BRONZE BUSHING

2шт.

P50073

SHAFT LOCK

1шт.

P36015

SPLIT PIN/SAFETY PIN

SPLIT PIN/SAFET

1шт.

P30950

HEADED PIN

PIN, HEADED

1шт.

P4753236

BLADE

1шт.

P104272

TOOTH

2шт.

Выбрано товаров: 25