Запчасти Case 115CL (057) - NO DESCRIPTION PROVIDED

Схема запчастей Case 115CL - (057) - NO DESCRIPTION PROVIDED
FIT
1:1
100%

Артикул

Название

Примечание

Количество

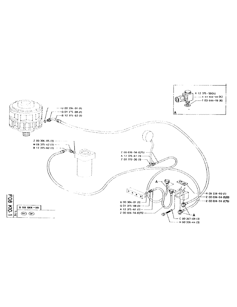
P30401

O-RING,2.5mm Thk x 18.5mm ID

1шт.

P137508

UNION

1шт.

P1237562

END FITTING

1шт.

P30405

O-RING

SEAL, 2.62 x 32.99-80

1шт.

P837542

UNION

1шт.

P1237562

END FITTING

1шт.

P3656

PIPE

1шт.

P1237561

END FITTING

1шт.

P37236

TEE

T PIECE

1шт.

P30401

O-RING,2.5mm Thk x 18.5mm ID

1шт.

P137508

UNION

1шт.

P1237561

END FITTING

1шт.

P3656

PIPE

1шт.

P1237559

END FITTING

4шт.

P344419

WASHER, SEALING

SEAL WASHER, 13.2 x 17.9 x 1.5

8шт.

P922890

LARGE PLATE

PLATE

1шт.

P3656

PIPE

1шт.

P3656

PIPE

1шт.

P34709

WASHER

3шт.

P32644

SCREW,Hex, M8 x 16

/BOLT, M8 x 16

3шт.

Выбрано товаров: 20