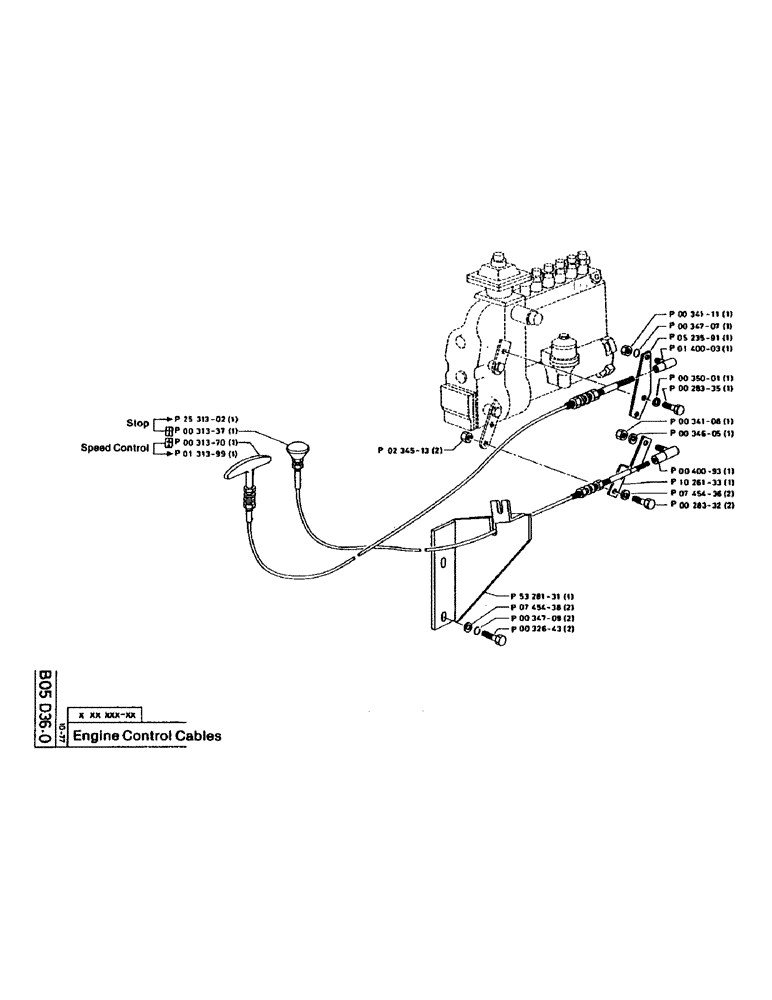
Запчасти Case 160CK (15) - ENGINE CONTROL CABLES (01) - ENGINE

Схема запчастей Case 160CK - (15) - ENGINE CONTROL CABLES (01) - ENGINE
FIT
1:1
100%

Артикул

Название

Примечание

Количество

P2531302

CONTROL SLIDE

1шт.

P31337

CONTROL SLIDE

1шт.

P31370

CONTROL SLIDE

1шт.

P131399

CONTROL SLIDE

1шт.

P234513

SAFETY NUT

2шт.

P5328131

1шт.

P745438

WASHER

2шт.

P34709

WASHER

2шт.

P32643

SPARE PART

2шт.

15896221

NUT,Hex, M6, 5.20mm High, Cl 10

1шт.

P34707

WASHER

1шт.

P523591

SPARE PART

1шт.

P140003

BALL JOINT

1шт.

P35001

WASHER

1шт.

86508568

BOLT,Hex, M6 x 1 x 16mm, Cl 8.8

1шт.

P34108

NUT

1шт.

P34605

WASHER

WASHER

1шт.

P40093

BALL JOINT

1шт.

P1026133

LEVER

1шт.

P745436

WASHER

2шт.

86508568

BOLT,Hex, M6 x 1 x 16mm, Cl 8.8

2шт.

Выбрано товаров: 21