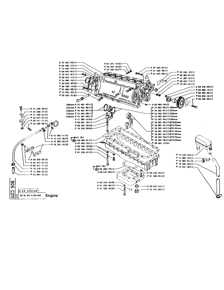
Запчасти Case 160CK (20) - ENGINE (01) - ENGINE

Схема запчастей Case 160CK - (20) - ENGINE (01) - ENGINE
FIT
1:1
100%

Артикул

Название

Примечание

Количество

P133859

SCREW

1шт.

P726821

DEUTZ PART

1шт.

P2125634

SPARE PART

1шт.

P34707

WASHER

1шт.

15896221

NUT,Hex, M6, 5.20mm High, Cl 10

1шт.

P33808

SCREW

1шт.

P35996

DEUTZ PART

2шт.

P34707

WASHER

1шт.

15896221

NUT,Hex, M6, 5.20mm High, Cl 10

1шт.

P1031924

DEUTZ PART

1шт.

P1436925

SPARE PART

1шт.

P529453

DEUTZ PART

1шт.

P1543255

SPARE PART

1шт.

P645012

DEUTZ PART

1шт.

P1246077

DEUTZ PART

1шт.

P940494

COVER

1шт.

P1037461

DEUTZ PART

1шт.

P945211

DEUTZ PART

1шт.

P3446015

DEUTZ PART

1шт.

P34930

DEUTZ PART

8шт.

120104

BOLT,Hex, M8 x 1.25 x 20mm, Cl 8.8

8шт.

P146098

WASHER, SEALING

SEAL WASHER

2шт.

P1337422

DEUTZ PART

2шт.

P543274

SPARE PART

6шт.

P2446285

DEUTZ PART

1шт.

P2446286

DEUTZ PART

1шт.

P2446287

SPARE PART

1шт.

P2446288

SPARE PART

1шт.

P2446289

SPARE PART

1шт.

P1128534

SPARE PART

14шт.

P940418

DEUTZ PART

1шт.

P34639

SPARE PART

14шт.

P1033059

BOLT

14шт.

P1246041

DEUTZ PART

1шт.

P1543256

DEUTZ PART

1шт.

P1036956

SPARE PART

1шт.

P1523419

SPARE PART

2шт.

P646091

DEUTZ PART

1шт.

P740319

DEUTZ PART

1шт.

P34930

DEUTZ PART

24шт.

43127

BOLT,Hex, M8 x 1.25 x 25mm, Cl 8.8

21шт.

P133851

SCREW

3шт.

P737415

DEUTZ PART

6шт.

P545220

DEUTZ PART

6шт.

P733064

BOLT

7шт.

P646079

DEUTZ PART

1шт.

P843260

DEUTZ PART

1шт.

P34930

DEUTZ PART

8шт.

P145090

DEUTZ PART

2шт.

P133849

SCREW

8шт.

P733062

BOLT

1шт.

P146098

WASHER, SEALING

SEAL WASHER

1шт.

P145090

DEUTZ PART

1шт.

P36028

DEUTZ PART

2шт.

P2446290

DEUTZ PART

1шт.

P2446291

DEUTZ PART

1шт.

P2446292

SPARE PART

1шт.

P2446293

STOP

1шт.

P2446294

SPARE PART

1шт.

P2028790

DEUTZ PART

7шт.

P2028791

DEUTZ PART

7шт.

P2028792

SPARE PART

7шт.

P2028793

DEUTZ PART

7шт.

P2028794

SPARE PART

7шт.

P2028795

SPARE PART

7шт.

P2028796

SPARE PART

7шт.

P940419

DEUTZ PART

6шт.

P34930

DEUTZ PART

3шт.

P133884

SCREW

3шт.

P545263

DEUTZ PART

1шт.

P1037426

PLUG

1шт.

P323623

LARGE PLATE

PLATE, LARGE PLATE

1шт.

P36061

DEUTZ PART

2шт.

P1228701

SPARE PART

1шт.

P945211

DEUTZ PART

1шт.

P1037461

DEUTZ PART

1шт.

P827869

DEUTZ PART

1шт.

P828812

DEUTZ PART

1шт.

P28569

DEUTZ PART

1шт.

P939334

DEUTZ PART

1шт.

P933895

SCREW

1шт.

P1343249

SPARE PART

1шт.

P1436922

SPARE PART

1шт.

P1036991

CLAMP

COLLAR

1шт.

P1030539

DEUTZ PART

1шт.

P1524230

DEUTZ PART

1шт.

Выбрано товаров: 86