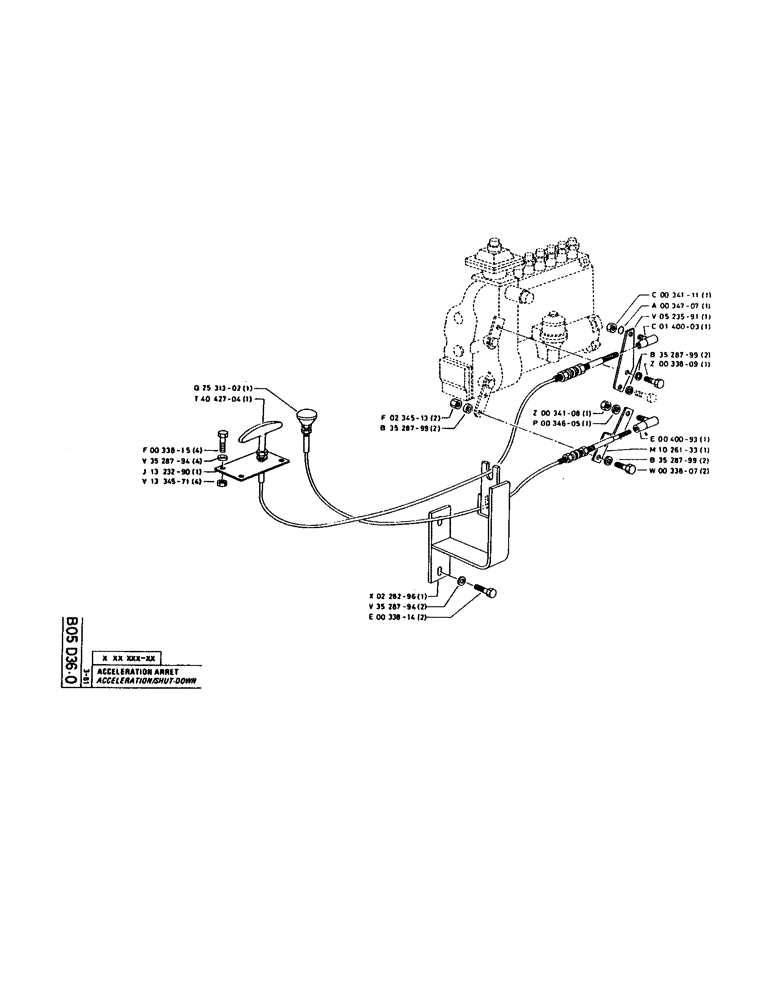
Запчасти Case 160CK (038) - ACCELERATION/SHUT-DOWN (01) - ENGINE

Схема запчастей Case 160CK - (038) - ACCELERATION/SHUT-DOWN (01) - ENGINE
FIT
1:1
100%

Артикул

Название

Примечание

Количество

P2531302

CONTROL SLIDE

SLIDE

1шт.

P4042704

CONTROL SLIDE

SLIDE

1шт.

43127

BOLT,Hex, M8 x 1.25 x 25mm, Cl 8.8

BOLT, Hex, M8 x 25, 8.8

4шт.

P3528794

WASHER

8.25 x 6 x 20

4шт.

P1323290

LARGE PLATE

PLATE

1шт.

P1334571

NUT

4шт.

P234513

SAFETY NUT

2шт.

P3528799

WASHER

6.25 x 4 x 15

2шт.

P228296

SUPPORT

1шт.

P3528794

WASHER

8.25 x 6 x 20

2шт.

120104

BOLT,Hex, M8 x 1.25 x 20mm, Cl 8.8

BOLT, Hex, M8 x 20, 8.8

2шт.

P34108

NUT

1шт.

P34605

WASHER

1шт.

15896221

NUT,Hex, M6, 5.20mm High, Cl 10

1шт.

P34707

WASHER

1шт.

P523591

LEVER

1шт.

P140003

BALL JOINT

JOINT

1шт.

P3528799

WASHER

6.25 x 4 x 15

2шт.

120100

BOLT,M6 x 20mm, Cl 8.8

1шт.

P40093

BALL JOINT

JOINT

1шт.

P1026133

LEVER

1шт.

P3528799

WASHER

6.25 x 4 x 15

2шт.

86977786

BOLT,Hex, M6 x 1 x 25mm, Cl 8.8

Hex, M6 x 25, 8.8, Full Thd

2шт.

Выбрано товаров: 23