Качественные детали и логистика
Оригинальные и аналоговые запчасти с доставкой по России, Казахстану и Беларуси
©2022 PartSell ООО "Система" ИНН 2463123282 ОГРН 1212400004838
Центральный офис: г. Красноярск, Академика Киренского, д.87, пом.4
Телефон: 8 (800) 777-65-74 Email: zakaz@partsell.ru
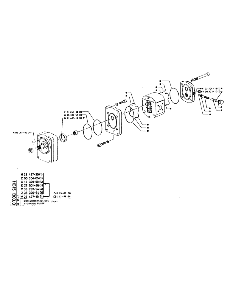
(150) - HYDRAULIC MOTOR
№
Артикул
Название
Примечание
Количество
P236199
BUCKET TOOTH KEY
KEY
1шт.
P6146088
BUSHING
P1630467
SEAL
P7146019
forms part of a kit
P230419
O-RING
SEAL, 2.62 x 12.37-80, forms part of a kit
P30310
2.7 x 12.1, no longer sold
P1943790
KIT
SET, kit number
P3749624
SEAL PACKAGE
SET OF SEALS, kit number
P2343730
MOTOR, HYDRAULIC
HYD. MOTEUR
P30405
SEAL, 2.62 x 32.99-80
P1232959
SCREW
/BOLT, M8 x 50
4шт.
P2750136
MANIFOLD
COLLECTOR
P3528794
WASHER
8.25 x 6 x 20
P3837664
PIPE
11 x 17
P2343719
MOTOR
no longer sold
Выбрано товаров: 0