Запчасти Case 160CK (173) - FITTED BACKHOE BUCKET CYLINDER (07) - HYDRAULIC SYSTEM

Схема запчастей Case 160CK - (173) - FITTED BACKHOE BUCKET CYLINDER (07) - HYDRAULIC SYSTEM
FIT
1:1
100%

Артикул

Название

Примечание

Количество

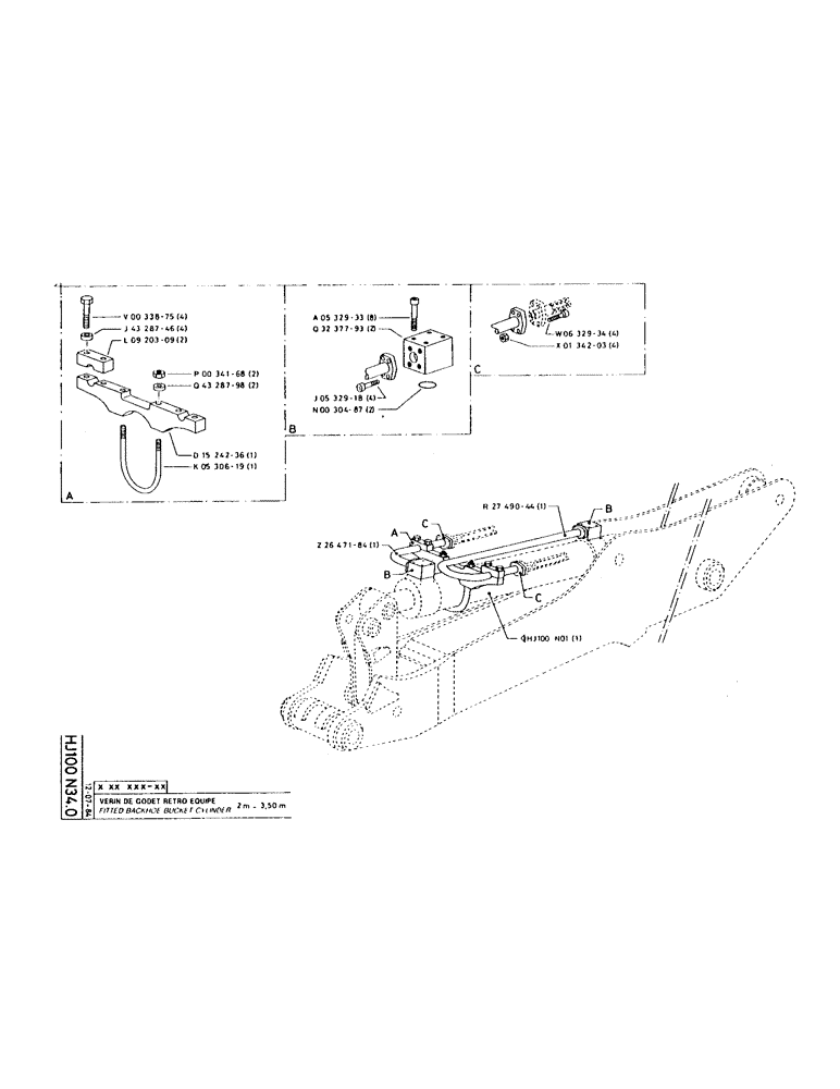
P33875

SCREW

/BOLT, M16 x 70

4шт.

P4328746

WASHER

16.5 x 11 x 30

4шт.

P920309

SHIN

BRACKET

2шт.

P34168

NUT

2шт.

P4328798

WASHER

14.5 x 10 x 28

2шт.

P1524236

SUPPORT

1шт.

P530619

STIRRUP

BRACKET, 174 x 149

1шт.

P532933

SCREW

/BOLT, M14 x 95

8шт.

P3237793

SHIN

BRACKET

2шт.

J532918

SCREW,Hex Skt, M12 x 40mm, Cl 10.9

4шт.

P30487

O-RING,0.103" Thk x 1.487" ID, -128, Cl 5, 75 Duro

SEAL, 2.62 x 37.77-80

2шт.

P632934

SCREW

/BOLT, M12 x 65

4шт.

337475

NUT,M12, Cl 10

4шт.

P2647184

PIPE

24 x 34

1шт.

P2749044

PIPE

24 x 34

1шт.

Выбрано товаров: 15