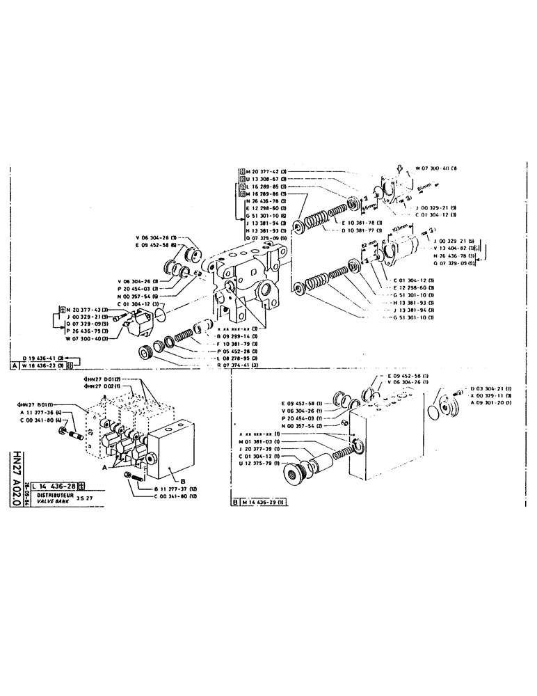
Запчасти Case 160CK (225) - VALVE BANK (07) - HYDRAULIC SYSTEM

Схема запчастей Case 160CK - (225) - VALVE BANK (07) - HYDRAULIC SYSTEM
FIT
1:1
100%

Артикул

Название

Примечание

Количество

P2037743

CAP

COVER, no longer sold

3шт.

P32921

SCREW,Hex Soc Hd, M8 x 20, 10.9

/BOLT, M8 x 20

9шт.

P732909

SCREW

/BOLT, M8 x 25/25

9шт.

P2643679

CAP

COVER

3шт.

P730040

BLEEDER UNIT

3шт.

P1943641

DISTRIBUTOR

SELECTOR BLOCK

3шт.

P1643623

DISTRIBUTOR

SELECTOR BLOCK, no longer sold

3шт.

P630426

O-RING

3 x 32

3шт.

P945258

BACK-UP RING

BUSHING

6шт.

P630426

O-RING

3 x 32

3шт.

P2045403

WASHER

27 x 31 x 2.4

3шт.

P35754

SPLIT PIN/SAFETY PIN

SPLIT PIN, 10 x 15

6шт.

P130412

O-RING

SEAL, 2.62 x 44.12-80

3шт.

P2037742

CAP

COVER, no longer sold

3шт.

P1330867

END FITTING

no longer sold

3шт.

P1628985

CUPEL, no longer sold

3шт.

P1628986

CUPEL, no longer sold

3шт.

P2643678

CAP

COVER

3шт.

P1229860

END FITTING

3шт.

P5130110

CUPEL

6шт.

P1338194

COMPRESSION SPRING

3шт.

P1338193

COMPRESSION SPRING

3шт.

P732909

SCREW

/BOLT, M8 x 25/25

9шт.

P929914

VALVE POPPET

VALVE

3шт.

P1038179

COMPRESSION SPRING

3шт.

P545228

SEAL

32 x 32 x 2

3шт.

P827895

BLANK-OFF PLUG

3шт.

P737441

PLUG

M39 x 2

3шт.

P1038178

COMPRESSION SPRING

3шт.

P1038177

COMPRESSION SPRING

3шт.

P730040

BLEEDER UNIT

3шт.

P32921

SCREW,Hex Soc Hd, M8 x 20, 10.9

/BOLT, M8 x 20

9шт.

P130412

O-RING

SEAL, 2.62 x 44.12-80

3шт.

P32921

SCREW,Hex Soc Hd, M8 x 20, 10.9

/BOLT, M8 x 20

9шт.

P1340482

CAP

COVER, no longer sold

3шт.

P2643678

CAP

COVER

3шт.

P732909

SCREW

/BOLT, M8 x 25/25

9шт.

P130412

O-RING

SEAL, 2.62 x 44.12-80

3шт.

P1229860

END FITTING

3шт.

P5130110

CUPEL

3шт.

P1338193

COMPRESSION SPRING

3шт.

P1338194

COMPRESSION SPRING

3шт.

P5130110

CUPEL

3шт.

P1127736

THREADED ROD

ASSEMBLING ROD, M18 x 80

4шт.

825-1418

NUT,M18, Cl 8

4шт.

P1127737

THREADED ROD

ASSEMBLING ROD, M18 x 150

12шт.

825-1418

NUT,M18, Cl 8

12шт.

P138103

COMPRESSION SPRING

1шт.

P2037739

SPACER

1шт.

P130412

O-RING

SEAL, 2.62 x 44.12-80

1шт.

P1237579

UNION

1шт.

P945258

BACK-UP RING

BUSHING

1шт.

P630426

O-RING

3 x 32

1шт.

P2045403

WASHER

27 x 31 x 2.4

1шт.

P35754

SPLIT PIN/SAFETY PIN

SPLIT PIN, 10 x 15

2шт.

P945258

BACK-UP RING

BUSHING

1шт.

P630426

O-RING

3 x 32

1шт.

P330421

O-RING,0.139" Thk x 1.296" ID, -219, Cl 6, 90 Duro

SEAL, 3.53 x 32.92-80

1шт.

P32911

SCREW

/BOLT, M6 x 20

3шт.

P930120

BRACKET

1шт.

P1443629

SELECTOR

1шт.

Выбрано товаров: 61