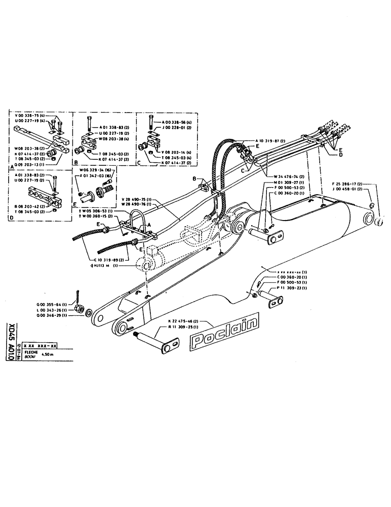
Запчасти Case 160CK (284) - BOOM (09) - BOOMS

Схема запчастей Case 160CK - (284) - BOOM (09) - BOOMS
FIT
1:1
100%

Артикул

Название

Примечание

Количество

P33875

SCREW

/BOLT, M16 x 70

4шт.

P22719

BRAKE

LOCKING

4шт.

P820338

SHIN

BRACKET

2шт.

P741437

BUSHING

2шт.

P834503

NUT

2шт.

P920313

SUPPORT

1шт.

P133883

SCREW

/BOLT, M16 x 110

2шт.

P22719

BRAKE

LOCKING

2шт.

P820338

SHIN

BRACKET

4шт.

P834503

NUT

2шт.

P741437

BUSHING

2шт.

P33856

SCREW

/BOLT, M16 x 120

4шт.

P22801

BRAKE

LOCKING

2шт.

P820314

SHIN

BRACKET

4шт.

P834503

NUT

4шт.

P741437

BUSHING

2шт.

P133883

SCREW

/BOLT, M16 x 110

2шт.

P22719

BRAKE

LOCKING

2шт.

P820342

SHIN

BRACKET

2шт.

P834503

NUT

2шт.

P632934

SCREW

/BOLT, M12 x 65

16шт.

337475

NUT,M12, Cl 10

16шт.

P2849075

PIPE, 24 x 34

1шт.

P2849076

PIPE, 24 x 34

1шт.

P530653

BRACKET, no longer exists on new model

1шт.

P36015

SPLIT PIN/SAFETY PIN

SPLIT PIN/SAFET, no longer exists on new model

2шт.

P1031989

HOSE

2шт.

P35564

SPLIT PIN/SAFETY PIN

SPLIT PIN, 10 x 140

1шт.

P34326

NUT

1шт.

P34629

WASHER

1шт.

P1031987

HOSE

2шт.

P3447674

PIPE, 24 x 34

2шт.

P130927

PIN

1шт.

P50053

SHAFT LOCK

2шт.

P36020

SPLIT PIN/SAFETY PIN

1шт.

J45801

LUBE NIPPLE,M8 x 1.25

GREASE NIPPLE, M8 x 1.25

2шт.

P36020

SPLIT PIN/SAFETY PIN

1шт.

P50053

SHAFT LOCK

1шт.

P1130923

LARGE PIN

PIN

1шт.

P2247546

DECAL

ADHESIVE

2шт.

P1130925

PIN

1шт.

Выбрано товаров: 41