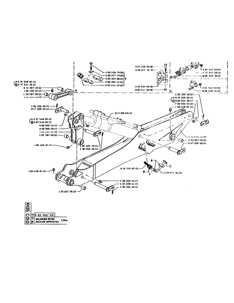
Запчасти Case 160CK (303) - BACKHOE DIPPERSTICK (14) - DIPPERSTICKS

Схема запчастей Case 160CK - (303) - BACKHOE DIPPERSTICK (14) - DIPPERSTICKS
FIT
1:1
100%

Артикул

Название

Примечание

Количество

P33875

SCREW

/BOLT, M16 x 70

8шт.

P22719

BRAKE

LOCKING

8шт.

P520306

SHIN

BRACKET

2шт.

P820314

SHIN

BRACKET

2шт.

P741437

BUSHING

2шт.

P133883

SCREW

/BOLT, M16 x 110

8шт.

P22719

BRAKE

LOCKING

8шт.

P520306

SHIN

BRACKET

8шт.

P34169

NUT

8шт.

337475

NUT,M12, Cl 10

4шт.

P1737759

JUNCTION

2шт.

P532930

SCREW

/BOLT, M12 x 100

4шт.

337475

NUT,M12, Cl 10

4шт.

P632934

SCREW

/BOLT, M12 x 65

4шт.

P3754881

ROD, CONNECTING

CONNECTING ROD

1шт.

P1753125

ROD, CONNECTING

CONNECTING ROD, no longer sold

1шт.

P1228745

BUSHING

65 x 85 x 130

1шт.

J45801

LUBE NIPPLE,M8 x 1.25

GREASE NIPPLE, M8 x 1.25

2шт.

P328726

BUSHING

65 x 85 x 70

2шт.

P36020

SPLIT PIN/SAFETY PIN

1шт.

P1730945

HEADED PIN

PIN, HEADED

1шт.

P3754883

LINKAGE YOKE

YOKE

1шт.

P754005

LINKAGE YOKE

YOKE, no longer sold

1шт.

P50054

SHAFT LOCK

1шт.

P50055

SHAFT LOCK

1шт.

P328726

BUSHING

65 x 85 x 70

2шт.

J45801

LUBE NIPPLE,M8 x 1.25

GREASE NIPPLE, M8 x 1.25

1шт.

J45801

LUBE NIPPLE,M8 x 1.25

GREASE NIPPLE, M8 x 1.25

2шт.

P328726

BUSHING

65 x 85 x 70

2шт.

P730919

HEADED PIN

PIN

1шт.

P36020

SPLIT PIN/SAFETY PIN

1шт.

P36020

SPLIT PIN/SAFETY PIN

2шт.

P2530909

HEADED PIN

PIN

1шт.

P50338

HEADED PIN

PIN, no longer sold

1шт.

P50053

SHAFT LOCK

2шт.

J45801

LUBE NIPPLE,M8 x 1.25

GREASE NIPPLE, M8 x 1.25

2шт.

P2028736

BUSHING

80 x 105 x 80

2шт.

P730969

HEADED PIN

PIN, HEADED

1шт.

P2947104

PIPE, 24 x 34

2шт.

P1031987

HOSE

2шт.

P50053

SHAFT LOCK

1шт.

P130941

LARGE PIN

PIN

1шт.

P36020

SPLIT PIN/SAFETY PIN

1шт.

Выбрано товаров: 43