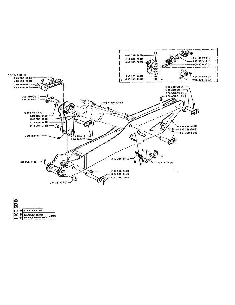
Запчасти Case 160CK (304) - BACKHOE DIPPERSTICK (14) - DIPPERSTICKS

Схема запчастей Case 160CK - (304) - BACKHOE DIPPERSTICK (14) - DIPPERSTICKS
FIT
1:1
100%

Артикул

Название

Примечание

Количество

P33856

SCREW

/BOLT, M16 x 120

8шт.

P4328746

WASHER

16.5 x 11 x 30

8шт.

P520306

SHIN

BRACKET

8шт.

P4328746

WASHER

16.5 x 11 x 30

8шт.

P34169

NUT

8шт.

337475

NUT,M12, Cl 10

4шт.

P1737759

JUNCTION

2шт.

P532930

SCREW

/BOLT, M12 x 100

4шт.

337475

NUT,M12, Cl 10

4шт.

P632934

SCREW

/BOLT, M12 x 65

4шт.

P3754881

ROD, CONNECTING

CONNECTING ROD

1шт.

P4628708

BUSHING

65 x 85 x 130

1шт.

J45801

LUBE NIPPLE,M8 x 1.25

GREASE NIPPLE, M8 x 1.25

2шт.

P4628707

BUSHING

65 x 85 x 70

2шт.

P36020

SPLIT PIN/SAFETY PIN

1шт.

P2430961

HEADED PIN

PIN, HEADED

1шт.

P3754883

LINKAGE YOKE

YOKE

1шт.

P50054

SHAFT LOCK

1шт.

P50055

SHAFT LOCK

1шт.

P4628707

BUSHING

65 x 85 x 70

2шт.

J45801

LUBE NIPPLE,M8 x 1.25

GREASE NIPPLE, M8 x 1.25

1шт.

J45801

LUBE NIPPLE,M8 x 1.25

GREASE NIPPLE, M8 x 1.25

2шт.

P2530918

HEADED PIN

PIN, HEADED

1шт.

P36020

SPLIT PIN/SAFETY PIN

1шт.

P4628707

BUSHING

65 x 85 x 70

2шт.

P36020

SPLIT PIN/SAFETY PIN

2шт.

P2530909

HEADED PIN

PIN

1шт.

P50053

SHAFT LOCK

2шт.

J45801

LUBE NIPPLE,M8 x 1.25

GREASE NIPPLE, M8 x 1.25

2шт.

P1528650

BUSHING, LARGE

BUSHING, 80 x 105 x 80

2шт.

P2430956

HEADED PIN

PIN, HEADED

1шт.

P1031987

HOSE

2шт.

P2947104

PIPE, 24 x 34

2шт.

P50053

SHAFT LOCK

1шт.

P2430983

PIVOT PIN

PIN

1шт.

P36020

SPLIT PIN/SAFETY PIN

1шт.

Выбрано товаров: 36