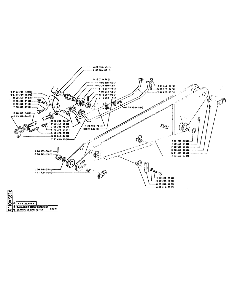
Запчасти Case 160CK (305) - CLAMSHELL DIPPERSTICK (14) - DIPPERSTICKS

Схема запчастей Case 160CK - (305) - CLAMSHELL DIPPERSTICK (14) - DIPPERSTICKS
FIT
1:1
100%

Артикул

Название

Примечание

Количество

P2328142

SUPPORT

left-hand part

1шт.

P2728115

SUPPORT

1шт.

P34714

WASHER, LOCK

WASHER

12шт.

P33881

SCREW

/BOLT, M14 x 60

6шт.

P34711

WASHER

6шт.

11106231

BOLT,Hex, M10 x 1.5 x 25mm, Cl 10.9

BOLT, Hex, M10 x 25, 10.9, Full Thd

6шт.

P1031990

HOSE

2шт.

P1937694

PIPE,26.75 mm DIA x 90 mm L

19 x 27

2шт.

P1528828

JUNCTION

2шт.

P34168

NUT

6шт.

J532918

SCREW,Hex Skt, M12 x 40mm, Cl 10.9

4шт.

14420331

HEX SOC SCREW,M10 x 1.5 x 35mm, Cl 10.9, Full Thd

4шт.

L632924

SCREW

/BOLT, M10 x 55

4шт.

86500689

NUT,M10 x 1.5, Cl 10

4шт.

P2349150

PIPE, 24 x 34

1шт.

P35558

SPLIT PIN

8 x 100

1шт.

P34319

SLOTTED NUT

NUT

1шт.

P34625

WASHER

1шт.

P1130915

PIN

1шт.

P937040

BLOCK

2шт.

P30405

O-RING

SEAL, 2.62 x 32.99-80

2шт.

P1537771

FITTING

CONNECTION

2шт.

P630855

LARGE PIN

PIN

2шт.

P2746042

LINING

S, 32 x 42

4шт.

P1537773

BODY

2шт.

P427363

PIN

2шт.

P1228790

COLLAR

SAFETY SET COLLAR

2шт.

P1036917

SPECIAL MAT. SEAL

SPRING WASHER

2шт.

P2849073

PIPE, 24 x 34

1шт.

337475

NUT,M12, Cl 10

4шт.

P632934

SCREW

/BOLT, M12 x 65

4шт.

P3447673

PIPE, 24 x 34

1шт.

J532918

SCREW,Hex Skt, M12 x 40mm, Cl 10.9

4шт.

P2028736

BUSHING

80 x 105 x 80

2шт.

J45801

LUBE NIPPLE,M8 x 1.25

GREASE NIPPLE, M8 x 1.25

2шт.

P50053

SHAFT LOCK

1шт.

P36020

SPLIT PIN/SAFETY PIN

1шт.

P1130916

PIN

1шт.

P33875

SCREW

/BOLT, M16 x 70

2шт.

P22719

BRAKE

LOCKING

2шт.

P820338

SHIN

BRACKET

2шт.

P741428

BUSHING

2шт.

Выбрано товаров: 42