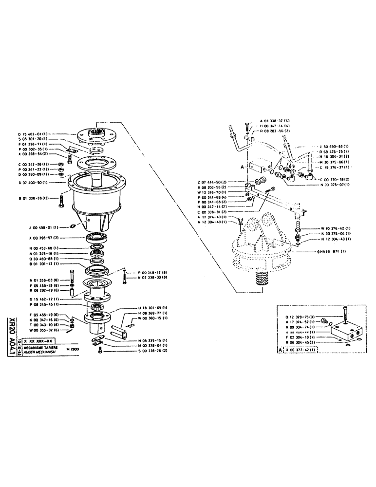
Запчасти Case 160CK (327) - AUGER MECHANISM (18) - ATTACHMENT ACCESSORIES

Схема запчастей Case 160CK - (327) - AUGER MECHANISM (18) - ATTACHMENT ACCESSORIES
FIT
1:1
100%

Артикул

Название

Примечание

Количество

P1546201

SPLINED COUPLING

1шт.

P530120

WASHER

1шт.

P122871

BRAKE

LOCKING

1шт.

P30235

SHAFT

1шт.

P33854

SCREW

/BOLT, M16 x 50

2шт.

P34226

NUT

12шт.

P34122

NUT

12шт.

P35009

WASHER

12шт.

P740350

HOUSING

1шт.

P133838

SCREW/BOLT, M22 x 100 x 70

12шт.

J45801

LUBE NIPPLE,M8 x 1.25

GREASE NIPPLE, M8 x 1.25

1шт.

P39857

BEARING

2шт.

P45368

SPECIAL WASHER

NUT LOCK

1шт.

P134516

SLOTTED NUT, M110 x 2

1шт.

P3046088

1шт.

P130112

COVER

1шт.

P133803

SCREW

/BOLT, M18 x 90

6шт.

P545519

WASHER, 19 x 7 x 40

6шт.

P629249

SPACER

6шт.

P1546212

TRANSMISSION SLEEVE

1шт.

P834545

SLOTTED NUT

M75 x 2

1шт.

P545519

WASHER, 19 x 7 x 40

6шт.

P34716

WASHER

6шт.

P34310

NUT

6шт.

P35532

SPLIT PIN

4 x 50

6шт.

P34812

WASHER

8шт.

P233830

SCREW

/BOLT, M8 x 40

8шт.

P1830105

SLEEVE

1шт.

P836977

FASTENER

FITTING

1шт.

P36015

SPLIT PIN/SAFETY PIN

SPLIT PIN/SAFETY

1шт.

P523515

BRAKE

LOCKING

1шт.

P22804

BRAKE

1шт.

P33826

SCREW

/BOLT, M10 x 20

2шт.

P741450

BUSHING

2шт.

P820356

SHIN

BRACKET

2шт.

P1231670

ANGLE BAR

ANGLE IRON

1шт.

P34168

NUT

4шт.

P34168

NUT

2шт.

P34714

WASHER, LOCK

WASHER

2шт.

P33881

SCREW

/BOLT, M14 x 60

2шт.

P1737443

PLUG

1шт.

P1230443

O-RING

SEAL, 2.62 x 23.47-80

1шт.

P133837

SCREW

/BOLT, M14 x 80

4шт.

P34714

WASHER, LOCK

WASHER

4шт.

P820356

SHIN

BRACKET

2шт.

P5049083

PIPE

15 x 21

1шт.

P6947625

PIPE

15 x 21

1шт.

P1630431

O-RING,0.103" Thk x 1.424" ID, -127, Cl 5, 75 Duro

SEAL, 2.62 x 36.17-80

2шт.

P3037506

UNION

1шт.

P1937637

PIPE

M 15 x 21

1шт.

P37078

ELBOW-CONNECTION

2шт.

P3037507

FITTING

CONNECTION

1шт.

P1037642

PIPE

15 x 21

1шт.

P3037504

UNION

1шт.

P1230443

O-RING

SEAL, 2.62 x 23.47-80

1шт.

PA28871

left-hand part

1шт.

P1232975

SCREW,Hex Skt Hd, M14 x 70mm, Cl 10.9

/BOLT, M14 x 70

3шт.

P1737452

PLUG

1шт.

P930474

O-RING,0.103" Thk x 0.612" ID, -114, Cl 5, 75 Duro

SEAL, 2.62 x 15.54-80

1шт.

P230419

O-RING

SEAL, 2.62 x 12.37-80

1шт.

P630445

O-RING,0.139" Thk x 1.046" ID, -215, Cl 5, 75 Duro

SEAL, 3.53 x 26.57-80

2шт.

P637742

SHIN

BRACKET

1шт.

Выбрано товаров: 62