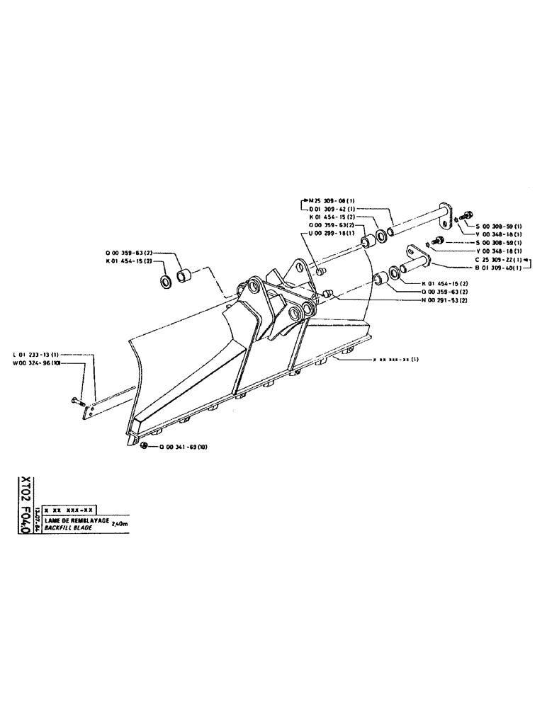
Запчасти Case 160CK (342) - BACKFILL BLADE (18) - ATTACHMENT ACCESSORIES

Схема запчастей Case 160CK - (342) - BACKFILL BLADE (18) - ATTACHMENT ACCESSORIES
FIT
1:1
100%

Артикул

Название

Примечание

Количество

P123313

BLADE

1шт.

W32496

BOLT,M16 x 70mm, Cl 8.8

10шт.

P35963

BUSHING

65 x 75 x 50.5

2шт.

P145415

WASHER

2шт.

P34169

NUT

10шт.

P2530908

HEADED PIN

PIN, HEADED

1шт.

P130942

PIN

1шт.

P145415

WASHER

2шт.

P35963

BUSHING

65 x 75 x 50.5

2шт.

P29918

SHAFT LOCK

1шт.

P145415

WASHER

2шт.

P35963

BUSHING

65 x 75 x 50.5

2шт.

P29153

SHAFT LOCK

2шт.

P30859

BOLT

SCREW/BOLT

1шт.

P34818

WASHER

1шт.

P30859

BOLT

SCREW/BOLT

1шт.

P34818

WASHER

1шт.

P2530922

HEADED PIN

PIN

1шт.

P130940

HEADED PIN

PIN, HEADED

1шт.

Выбрано товаров: 19