Запчасти Case 160CKS (071) - ENGINE VENTILATION (01) - ENGINE

Схема запчастей Case 160CKS - (071) - ENGINE VENTILATION (01) - ENGINE
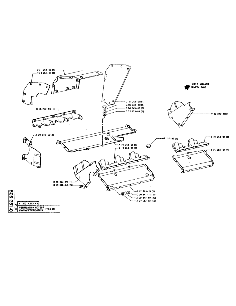
FIT
1:1
100%

Артикул

Название

Примечание

Количество

P2126399

PLATE

1шт.

P2326301

PLATE

1шт.

P1826398

DEUTZ PART

PLATE

1шт.

P927060

DEUTZ PART

PLATE

1шт.

P2126398

PLATE

1шт.

P933860

SCREW

/BOLT, M6 x 15

8шт.

P34966

DEUTZ PART

SPRING WASHER

8шт.

P745383

DEUTZ PART

WASHER

1шт.

P2126396

PLATE

1шт.

P1826398

DEUTZ PART

PLATE

1шт.

P1826399

DEUTZ PART

PLATE

1шт.

614-6016

BOLT,Hex, M6 x 1 x 16mm, Cl 8.8, Full Thd

Replaced P933860 Hex, M6 x 16, 8.8

29шт.

P1226328

DEUTZ PART

PLATE

1шт.

15896221

NUT,Hex, M6, 5.20mm High, Cl 10

21шт.

P34707

WASHER

29шт.

P745382

DEUTZ PART

WASHER

50шт.

P737492

DEUTZ PART

PLUG

2шт.

P1327050

DEUTZ PART

PLATE

1шт.

P2126397

PLATE

2шт.

P2126395

DEUTZ PART

PLATE

2шт.

Выбрано товаров: 20