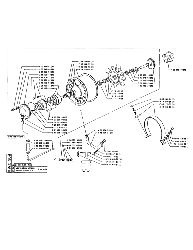
Запчасти Case 160CKS (072) - ENGINE VENTILATION (01) - ENGINE

Схема запчастей Case 160CKS - (072) - ENGINE VENTILATION (01) - ENGINE
FIT
1:1
100%

Артикул

Название

Примечание

Количество

86977786

BOLT,Hex, M6 x 1 x 25mm, Cl 8.8

Hex, M6 x 25, 8.8, Full Thd

3шт.

P34944

DEUTZ PART

SPRING WASHER

3шт.

P35058

DEUTZ PART

WASHER

3шт.

P3840312

DEUTZ PART

COVER PLATE

1шт.

P1630471

DEUTZ PART

SEAL

1шт.

P933882

SCREW

/BOLT

1шт.

P1240358

DEUTZ PART

BOX

1шт.

P643274

DEUTZ PART

ROTOR

1шт.

P1728759

DEUTZ PART

BUSHING

1шт.

P828899

DEUTZ PART

BUSHING

1шт.

P36353

RING, SNAP

LOCKING RING

1шт.

P39613

DEUTZ PART

BEARING

1шт.

P4340359

DEUTZ PART

1шт.

P3946016

DEUTZ PART

SEAL

1шт.

P1334568

DEUTZ PART

SLOTTED NUT, 35 x 1.5

1шт.

P45980

DEUTZ PART

WASHER

1шт.

P828899

DEUTZ PART

BUSHING

1шт.

P2246237

DEUTZ PART

SHAFT

1шт.

P2843219

DEUTZ PART

BLADE

1шт.

P5246068

DEUTZ PART

SEAL

1шт.

P1528819

DEUTZ PART

BUSHING

1шт.

P7146058

DEUTZ PART

SEAL RING

1шт.

P1230498

DEUTZ PART

SEAL, 4 x 120

1шт.

P730002

DEUTZ PART

SPACER

3шт.

P3030109

DEUTZ PART

WASHER

1шт.

P34707

WASHER

3шт.

614-6025

BOLT,Hex, M6 x 1 x 25mm, Cl 8.8, Full Thd

(Replaced P33807) Hex, M6 x 25, 8.8, Full Thd

3шт.

P146098

WASHER, SEALING

SEAL WASHER, 10.3 x 13.4 x 1

1шт.

P1837526

DEUTZ PART

CONNECTION

1шт.

P2950129

DEUTZ PART

PIPE

1шт.

P3036906

DEUTZ PART

COLLAR

1шт.

P3231903

DEUTZ PART

HOSE

1шт.

P3036906

DEUTZ PART

COLLAR

1шт.

P1837581

DEUTZ PART

UNION

1шт.

P146093

WASHER, SEALING

SEAL

1шт.

P1837527

DEUTZ PART

UNION

1шт.

P146097

DEUTZ PART

COPPER SEAL, 22 x 27

1шт.

P130475

DEUTZ PART

4 x 25

1шт.

P2550121

DEUTZ PART

PIPE

1шт.

P130475

DEUTZ PART

4 x 25

1шт.

P34734

WASHER

3шт.

P133863

SCREW

/BOLT, M8 x 18

1шт.

P2036999

DEUTZ PART

TAPE

10шт.

P3231904

TRANSMISSION SLEEVE

SLEEVE

1шт.

P1036991

CLAMP

COLLAR

1шт.

86500689

NUT,M10 x 1.5, Cl 10

2шт.

P1727796

STUD

SN4 x 40

2шт.

P4022705

DEUTZ PART

PLATE

1шт.

P2036993

DEUTZ PART

STRAP

1шт.

P933818

SCREW

/BOLT, M10 x 40 x 40

1шт.

P634609

DEUTZ PART

WASHER

1шт.

P1145443

DEUTZ PART

WASHER

1шт.

P35053

DEUTZ PART

WASHER

1шт.

Выбрано товаров: 53