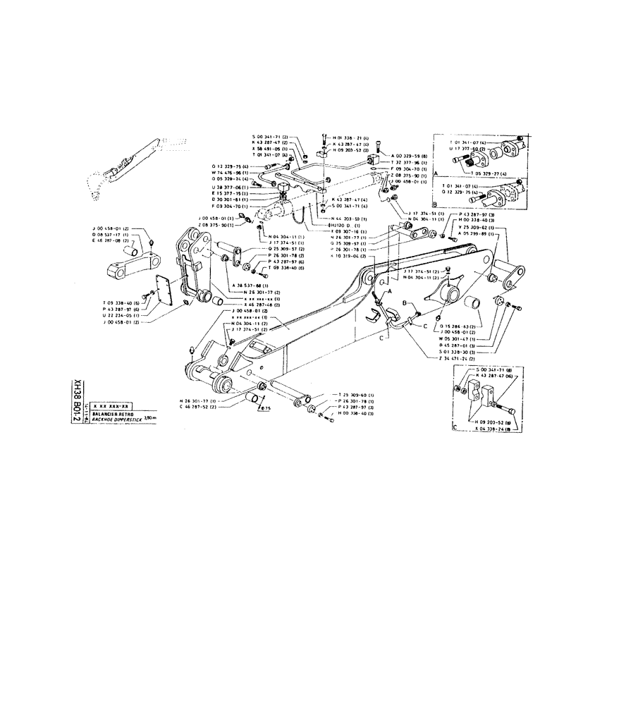
Запчасти Case 160CKS (285) - BACKHOE DIPPERSTICK (14) - DIPPERSTICKS

Схема запчастей Case 160CKS - (285) - BACKHOE DIPPERSTICK (14) - DIPPERSTICKS
FIT
1:1
100%

Артикул

Название

Примечание

Количество

J45801

LUBE NIPPLE,M8 x 1.25

GREASE NIPPLE, M8 x 1.25

2шт.

P853717

ROD, CONNECTING

CONNECTING ROD

1шт.

P4628708

BUSHING

65 x 85 x 130

2шт.

P933840

SCREW

/BOLT, M12 x 35 x 35

6шт.

P933840-Screw/Bolt. See SAT 92

1шт.

P4328797

WASHER

12.5 x 8 x 25

6шт.

P2223405

COVER PLATE

1шт.

J45801

LUBE NIPPLE,M8 x 1.25

GREASE NIPPLE, M8 x 1.25

2шт.

P1232975

SCREW,Hex Skt Hd, M14 x 70mm, Cl 10.9

/BOLT, M14 x 70

4шт.

P7447696

PIPE

30 x 42

1шт.

P532924

SCREW

/BOLT, M14 x 45

4шт.

P3837706

SHIN

BRACKET

1шт.

P1537715

VALVE POPPET

VALVE

1шт.

P3030161

STOP

1шт.

P930470

O-RING,0.139" Thk x 1.734" ID, -224, Cl 6, 90 Duro

SEAL, 3.53 x 44.04-80

1шт.

J45801

LUBE NIPPLE,M8 x 1.25

GREASE NIPPLE, M8 x 1.25

1шт.

P837590

END FITTING

1шт.

P3853788

LINKAGE YOKE

YOKE

1шт.

P2630177

SHAFT LOCK

2шт.

P4628748

BUSHING

2шт.

J45801

LUBE NIPPLE,M8 x 1.25

GREASE NIPPLE, M8 x 1.25

2шт.

P430411

O-RING

SEAL, 2.62 x 18.72-80

2шт.

P1737451

PLUG

2шт.

P2630177

SHAFT LOCK

1шт.

P4628752

BUSHING

2шт.

P34171

NUT

2шт.

P4328747

WASHER

21 x 14 x 35

2шт.

P5849105

PIPE

30 x 42

1шт.

P134107

NUT

4шт.

P1737451

PLUG

1шт.

P2530957

HEADED PIN

PIN, HEADED

2шт.

P2630178

CAP

COVER

2шт.

P4328797

WASHER

12.5 x 8 x 25

6шт.

P933840

SCREW

/BOLT, M12 x 35 x 35

6шт.

P133821

SCREW

/BOLT, M20 x 150

4шт.

P4328747

WASHER

21 x 14 x 35

4шт.

P920352

SHIN

BRACKET

2шт.

P4328747

WASHER

21 x 14 x 35

4шт.

P34171

NUT

4шт.

P4420359

SHIN

BRACKET

1шт.

P930716

STIRRUP

BRACKET, 206 x 170

1шт.

P2630177

SHAFT LOCK

1шт.

P2530957

HEADED PIN

PIN, HEADED

1шт.

P2630178

CAP

COVER

1шт.

P1031904

HOSE

2шт.

P2530960

HEADED PIN

PIN, HEADED

1шт.

P2630178

CAP

COVER

1шт.

P4328797

WASHER

12.5 x 8 x 25

3шт.

P33840

SCREW

/BOLT, M12 x 30

3шт.

P32959

SCREW

/BOLT, M16 x 100

8шт.

P3237796

SHIN

BRACKET

1шт.

P930470

O-RING,0.139" Thk x 1.734" ID, -224, Cl 6, 90 Duro

SEAL, 3.53 x 44.04-80

1шт.

P837590

END FITTING

1шт.

J45801

LUBE NIPPLE,M8 x 1.25

GREASE NIPPLE, M8 x 1.25

1шт.

See NEXSL00189; NIT 3260; SAT 65

1шт.

P1737451

PLUG

1шт.

P430411

O-RING

SEAL, 2.62 x 18.72-80

1шт.

P1737451

PLUG

2шт.

P430411

O-RING

SEAL, 2.62 x 18.72-80

2шт.

See NEXMP00587; NIT 994

1шт.

P134107

NUT

4шт.

P1737760

JUNCTION

2шт.

P532927

SCREW

/BOLT, M14 x 120

4шт.

P134107

NUT

4шт.

P1232975

SCREW,Hex Skt Hd, M14 x 70mm, Cl 10.9

/BOLT, M14 x 70

4шт.

P4328797

WASHER

12.5 x 8 x 25

3шт.

P4328797 Washer. See EEX8006E, EEX8006ES1, EEX8011E; NITS 994, 3263, 3293, 3294, 3303; SAT 72

1шт.

P33840

SCREW

/BOLT, M12 x 30

3шт.

P33840 Screw/Bolt. See EEX3001E; NITS 3077, 3228, 3263, 3293; SAT 92

1шт.

P2530962

LARGE PIN

PIN

1шт.

P2530962 Pin. See NIT 1131

1шт.

P529989

SHAFT LOCK

1шт.

P1528663

BUSHING

2шт.

P1528663-Bushing. See NIT 1131

1шт.

J45801

LUBE NIPPLE,M8 x 1.25

GREASE NIPPLE, M8 x 1.25

2шт.

P530147

CAP

COVER

1шт.

P4528701

WASHER

19 x 13 x 32

3шт.

P133830

SCREW

/BOLT, M18 x 50

3шт.

P3447124

PIPE

30 x 42

2шт.

P34171

NUT

8шт.

See NIT 3281

1шт.

P4328747

WASHER

21 x 14 x 35

6шт.

See NITS 3206, 3281; SATS 81, 83, 94

1шт.

P920352

SHIN

BRACKET

8шт.

P433824

SCREW/BOLT, M20 x 165

8шт.

Выбрано товаров: 85