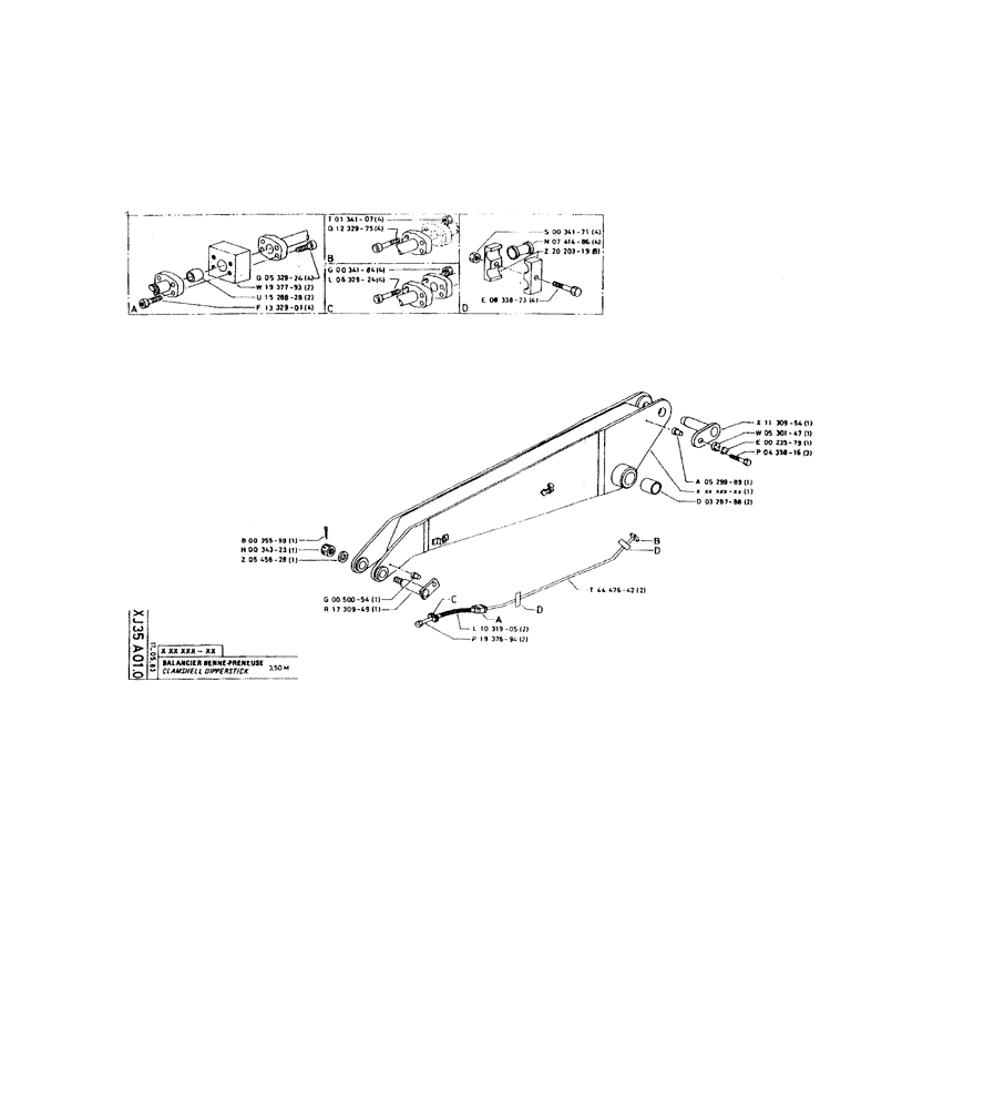
Запчасти Case 160CKS (289) - CLAMSHELL DIPPERSTICK (14) - DIPPERSTICKS

Схема запчастей Case 160CKS - (289) - CLAMSHELL DIPPERSTICK (14) - DIPPERSTICKS
FIT
1:1
100%

Артикул

Название

Примечание

Количество

P532924

SCREW

/BOLT, M14 x 45

4шт.

P1937793

RESTRICTOR

DN42 x DN27

2шт.

P1528828

JUNCTION

2шт.

14420331

HEX SOC SCREW,M10 x 1.5 x 35mm, Cl 10.9, Full Thd

4шт.

P1332901 Screw/Bolt. See EEX8006E, EEX8006ES1; NIT 996

1шт.

P134107

NUT

4шт.

P1232975

SCREW,Hex Skt Hd, M14 x 70mm, Cl 10.9

/BOLT, M14 x 70

4шт.

86500689

NUT,M10 x 1.5, Cl 10

4шт.

See EEX8011E; NITS 3077, 3262, 3263, 3293, 3303; SAT 80

1шт.

L632924

SCREW

/BOLT, M10 x 55

4шт.

P34171

NUT

4шт.

See NIT 3281

1шт.

P741486

BUSHING

4шт.

P2020319

SHIN

BRACKET

8шт.

P833823

SCREW

/BOLT, M20 x 140 x 140

4шт.

P35559

SPLIT PIN

8 x 120

1шт.

P34323

NUT

1шт.

P545628

WASHER

1шт.

P50054

SHAFT LOCK

1шт.

P1730949

PIN

1шт.

P1031905

HOSE

2шт.

P1937694

PIPE,26.75 mm DIA x 90 mm L

19 x 27

2шт.

P4447642

PIPE

30 x 42

2шт.

P529989

SHAFT LOCK

1шт.

P328788

BUSHING

100 x 130 x 120

2шт.

P1130954

HEADED PIN

PIN

1шт.

P530147

CAP

COVER

1шт.

P23579

BRAKE

LOCKING

1шт.

P433816

SCREW

/BOLT, M18 x 35 x 35

3шт.

Выбрано товаров: 29