Запчасти Case 160CKS (075) - ENGINE VENTILATION (01) - ENGINE

Схема запчастей Case 160CKS - (075) - ENGINE VENTILATION (01) - ENGINE
FIT
1:1
100%

Артикул

Название

Примечание

Количество

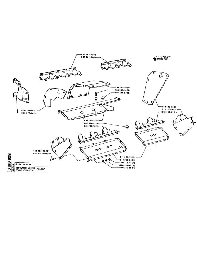
P2326310

DEUTZ PART

PLATE

1шт.

P5028261

HOOD

PLATE

1шт.

P5028260

HOOD

PLATE

1шт.

P927060

DEUTZ PART

PLATE

1шт.

P5028259

DEUTZ PART

PLATE

1шт.

120104

BOLT,Hex, M8 x 1.25 x 20mm, Cl 8.8

BOLT, Hex, M8 x 20, 8.8

9шт.

P737492

DEUTZ PART

PLUG

3шт.

P5028257

DEUTZ PART

PLATE

1шт.

P737492

DEUTZ PART

PLUG

9шт.

P2326310

DEUTZ PART

PLATE

1шт.

P1826399

DEUTZ PART

PLATE

1шт.

614-6016

BOLT,Hex, M6 x 1 x 16mm, Cl 8.8, Full Thd

Replaced P32621 Hex, M6 x 16, 8.8

30шт.

P2126395

DEUTZ PART

PLATE

2шт.

P1226328

DEUTZ PART

PLATE

1шт.

15896221

NUT,Hex, M6, 5.20mm High, Cl 10

24шт.

P34944

DEUTZ PART

SPRING WASHER

30шт.

P35058

DEUTZ PART

WASHER

54шт.

P5028258

DEUTZ PART

PLATE

1шт.

P1327050

DEUTZ PART

PLATE

1шт.

P5028261

HOOD

PLATE

1шт.

Выбрано товаров: 20