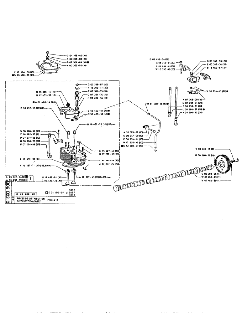
Запчасти Case 160CKS (060) - DISTRIBUTION PARTS (04) - UNDERCARRIAGE

Схема запчастей Case 160CKS - (060) - DISTRIBUTION PARTS (04) - UNDERCARRIAGE
FIT
1:1
100%

Артикул

Название

Примечание

Количество

P1340436

DEUTZ PART

COVER

10шт.

P1046079

DEUTZ PART

SEAL, forms part of a kit

10шт.

P133862

SCREW

/BOLT, M8 x 70

10шт.

P34609

WASHER

10шт.

P230484

DEUTZ PART

3 x 8, forms part of a kit

10шт.

P36303

CIRCLIP

LOCKING RING

10шт.

P943254

DEUTZ PART

ROCKER ARM

20шт.

P834584

DEUTZ PART

NUT

20шт.

P1033019

BOLT

SCREW/BOLT

20шт.

P34156

DEUTZ PART

NUT

20шт.

P34734

WASHER

20шт.

P1846257

DEUTZ PART

GUIDE

10шт.

P1528817

DEUTZ PART

GUIDE

10шт.

P1240356

DEUTZ PART

BOX

10шт.

P6146014

DEUTZ PART

SEAL, forms part of a kit

20шт.

P1843256

GUIDE

10шт.

P28099

DEUTZ PART

STUD

20шт.

P1846255

DEUTZ PART

SPACER

1шт.

P727756

STUD

10шт.

P630879

DEUTZ PART

STUD

30шт.

P745489

WASHER

20шт.

P1945339

DEUTZ PART

WASHER, 2.45MM

10шт.

P1228771

DEUTZ PART

SEAT

10шт.

P1543261

DEUTZ PART

VALVE

10шт.

P943232

DEUTZ PART

VALVE

10шт.

P228887

DEUTZ PART

40шт.

P1628911

GUIDE

20шт.

P738175

COMPRESSION SPRING

COMPRESSION SPR

20шт.

P738176

DEUTZ PART

COMPRESSION SPR

20шт.

P828955

DEUTZ PART

BOWL

10шт.

P5246059

DEUTZ PART

SEAL, forms part of a kit

10шт.

P1843255

DEUTZ PART

GUIDE

10шт.

P1522740

DEUTZ PART

STOP

10шт.

P1727769

DEUTZ PART

STUD

20шт.

P1727736

DEUTZ PART

STUD

20шт.

P1728749

DEUTZ PART

SEAT

10шт.

P1036932

DEUTZ PART

CLAMP COLLAR

10шт.

P34709

WASHER

10шт.

120104

BOLT,Hex, M8 x 1.25 x 20mm, Cl 8.8

BOLT, Hex, M8 x 20, 8.8

10шт.

P1230512

DEUTZ PART

PIPE

10шт.

P5346037

DEUTZ PART

SEAL

10шт.

P6146015

DEUTZ PART

SEAL, forms part of a kit

10шт.

P1630440

DEUTZ PART

SEAL, forms part of a kit

20шт.

P726809

DEUTZ PART

PLATE

10шт.

P729831

DEUTZ PART

ROD

20шт.

P829381

DEUTZ PART

PIPE

20шт.

P828861

BUSHING

forms part of a kit

20шт.

P729832

DEUTZ PART

PUSHER

20шт.

P1033018

DEUTZ PART

SCREW/BOLT, M14 x 1.5 x 60

1шт.

P36056

DEUTZ PART

SPLIT PIN/SAFET, 8 x 25

1шт.

P939395

DEUTZ PART

PINION

1шт.

P3546229

CAM SHAFT

1шт.

P745380

DEUTZ PART

WASHER

1шт.

Выбрано товаров: 53