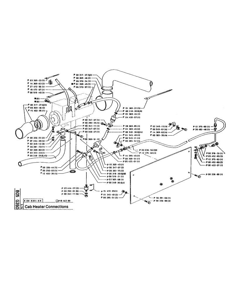
Запчасти Case 160CL (18) - CAB HEATER CONNECTIONS (05) - UPPERSTRUCTURE CHASSIS

Схема запчастей Case 160CL - (18) - CAB HEATER CONNECTIONS (05) - UPPERSTRUCTURE CHASSIS
FIT
1:1
100%

Артикул

Название

Примечание

Количество

P336923

CLAMP

2шт.

P1436963

CLASP

2шт.

P2747295

SPARE PART

1шт.

P1947267

SPARE PART

1шт.

P51946

CLAMP

3шт.

P31737

PIPE

1шт.

P36946

COLLAR CLAMP

2шт.

P1540395

SPARE PART

1шт.

P32623

SCREW

2шт.

P745439

WASHER

SPARE PART

4шт.

P234513

SAFETY NUT

2шт.

P5628173

SPARE PART

1шт.

P236980

SPARE PART

2шт.

P332320

SPARE PART

1шт.

P31835

LARGE HOSE

HOSE,LARGE

1шт.

P32644

SCREW,Hex, M8 x 16

1шт.

P35002

WASHER

1шт.

P1246039

GASKET

1шт.

P31737

PIPE

1шт.

P36946

COLLAR CLAMP

2шт.

P637034

ORIFICE RING

1шт.

P136945

COLLAR CLAMP

1шт.

P637097

ELBOW

1шт.

P34707

WASHER

1шт.

86508568

BOLT,Hex, M6 x 1 x 16mm, Cl 8.8

1шт.

15896221

NUT,Hex, M6, 5.20mm High, Cl 10

1шт.

P34707

WASHER

1шт.

P32627

SCREW

SCREW/BOLT, M6 x 50

1шт.

P36951

COLLAR

CLAMP COLLAR

1шт.

P341437

SHOCK ABSORBER

3шт.

P35001

WASHER

6шт.

15896221

NUT,Hex, M6, 5.20mm High, Cl 10

6шт.

P136922

CLAMP

5шт.

P31830

PIPE

SPARE PART

1шт.

P136945

COLLAR CLAMP

1шт.

P443307

SHOCK ABSORBER

1шт.

P836985

CLAMP

1шт.

P136945

COLLAR CLAMP

2шт.

P31830

PIPE

SPARE PART

1шт.

P134549

SAFETY NUT

1шт.

P51921

CLAMP

1шт.

P28551

WASHER

1шт.

P1429545

SPARE PART

1шт.

P36951

COLLAR

CLAMP COLLAR

1шт.

P543501

PUMP

1шт.

P1036945

CLAMP

COLLAR

1шт.

P34707

WASHER

2шт.

86508568

BOLT,Hex, M6 x 1 x 16mm, Cl 8.8

2шт.

P31830

PIPE

SPARE PART

1шт.

P51921

CLAMP

1шт.

P250508

FILTER

1шт.

P31830

PIPE

SPARE PART

1шт.

P341437

SHOCK ABSORBER

3шт.

P35001

WASHER

6шт.

15896221

NUT,Hex, M6, 5.20mm High, Cl 10

6шт.

P1547295

NEG BATTERY CABLE

1шт.

P134549

SAFETY NUT

3шт.

P28551

WASHER

3шт.

P234513

SAFETY NUT

4шт.

P51961

CLAMP

4шт.

P1436963

CLASP

4шт.

86508568

BOLT,Hex, M6 x 1 x 16mm, Cl 8.8

4шт.

P3656

PIPE

1шт.

P1237560

END FITTING

1шт.

P5628166

SUPPORT

1шт.

P32689

SCREW

3шт.

P1237560

END FITTING

1шт.

P2649246

SPARE PART

1шт.

P37833

COCK

1шт.

P545265

COPPER SEAL

2шт.

P1237563

SPARE PART

1шт.

P45260

COPPER SEAL

2шт.

P43257

JACK SCREW

1шт.

P32689

SCREW

1шт.

Выбрано товаров: 74