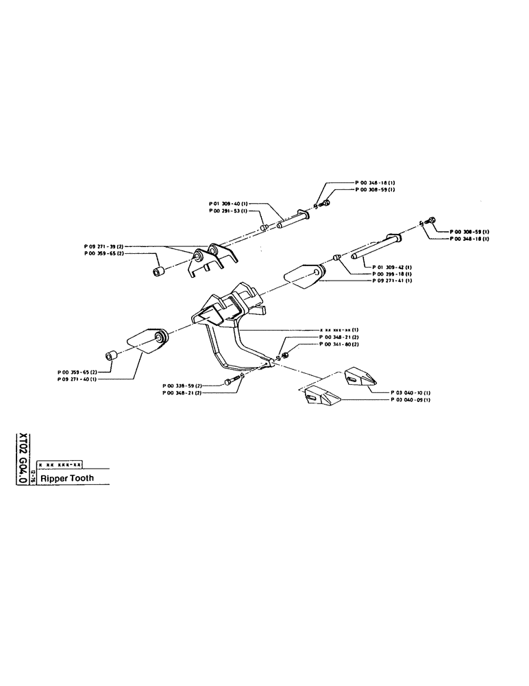
Запчасти Case 160CL (86) - RIPPER TOOTH (19) - BUCKETS

Схема запчастей Case 160CL - (86) - RIPPER TOOTH (19) - BUCKETS
FIT
1:1
100%

Артикул

Название

Примечание

Количество

P927139

WELDABLE LUG

2шт.

P35965

BUSHING

2шт.

P35965

BUSHING

2шт.

P927140

WELDABLE LUG

1шт.

P130940

HEADED PIN

1шт.

P29153

SHAFT LOCK

1шт.

P33859

SCREW

2шт.

P34821

SPARE PART

2шт.

P34818

WASHER

1шт.

P30859

BOLT

1шт.

P130942

SPARE PART

1шт.

P29918

SPARE PART

1шт.

P927141

WELDABLE LUG

1шт.

P34821

SPARE PART

2шт.

825-1418

NUT,M18, Cl 8

2шт.

P30859

BOLT

1шт.

P34818

WASHER

1шт.

P304010

SPARE PART

1шт.

P304009

SPARE PART

1шт.

Выбрано товаров: 19