Запчасти Case 160CL (259) - CONTROL PANEL (06) - ELECTRICAL SYSTEMS

Схема запчастей Case 160CL - (259) - CONTROL PANEL (06) - ELECTRICAL SYSTEMS
FIT
1:1
100%

Артикул

Название

Примечание

Количество

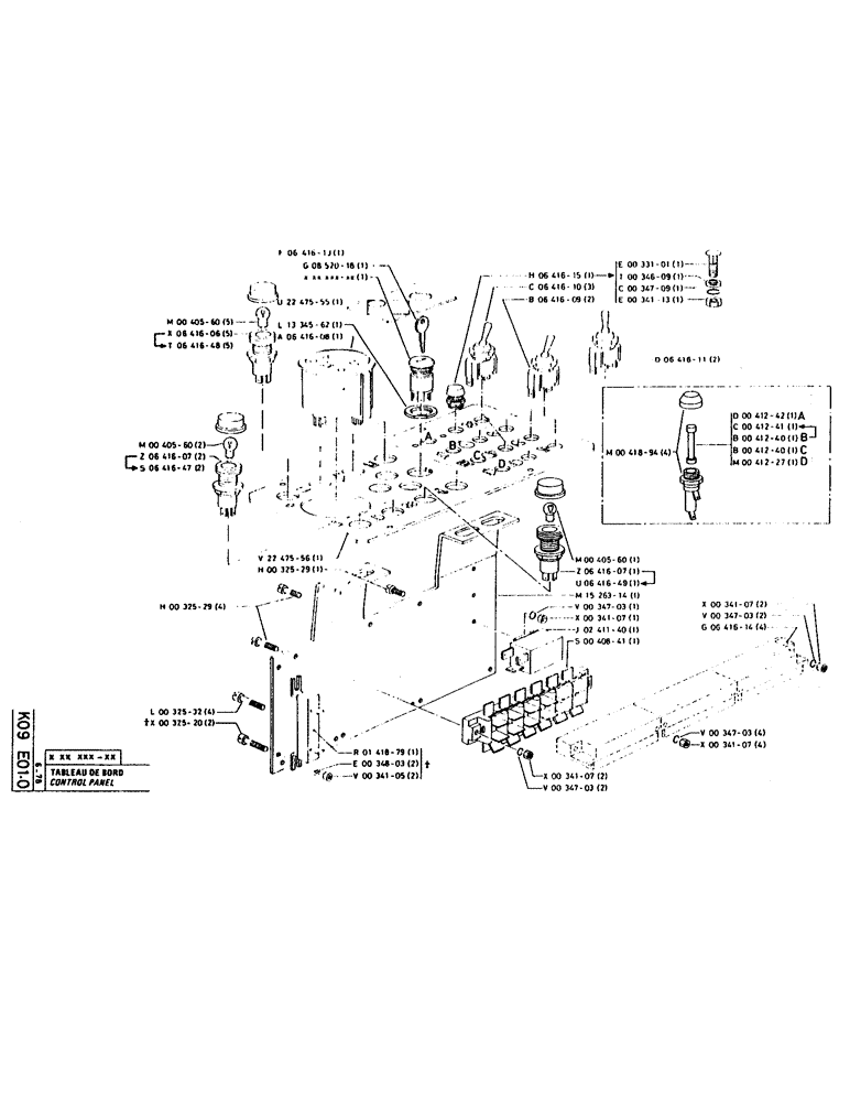
P641613

SWITCH

1шт.

P852018

KEY

SPANNER

1шт.

P2247555

LARGE PLATE

PLATE

1шт.

P40560

LAMP

BULB

5шт.

P641606

SIGHTGLASS

WARNING LIGHT

5шт.

P641648

SIGHTGLASS

WARNING LIGHT

5шт.

P1334562

NUT, M22 x 1

1шт.

P641608

THERMOMETER

1шт.

P40560

LAMP

BULB

2шт.

P641607

SIGHTGLASS

WARNING LIGHT

2шт.

P641647

SIGHTGLASS

WARNING LIGHT

2шт.

P2247556

COVER

PLATE

1шт.

P32529

SCREW,Hex Soc Hd, M4 x 16

/BOLT, M4 x 16

1шт.

P32529

SCREW,Hex Soc Hd, M4 x 16

/BOLT, M4 x 16

4шт.

P32532

SCREW

/BOLT, M4 x 30

4шт.

P32520

SCREW

/BOLT, M3 x 20, no longer exists on new model

2шт.

P141879

RESISTOR

RESISTANCE, no longer exists on new model

1шт.

P34803

WASHER

no longer exists on new model

2шт.

86508812

NUT,M3, Cl 8

No Longer Exists on New Model M3, Cl 8

2шт.

P641615

SIGHTGLASS

WARNING LIGHT

1шт.

P641610

SWITCH

3шт.

P641609

SWITCH

2шт.

P33101

BOLT

M8 x 25

1шт.

P34609

WASHER

1шт.

P34709

WASHER

1шт.

P34113

NUT

1шт.

P641611

SWITCH

REVERSER

2шт.

P41894

CASE

BOX

4шт.

P41242

FUSE

6.35 x 31.5

1шт.

P41241

FUSE

6.35 x 31.5

1шт.

P41240

FUSE

6.35 x 31.5

1шт.

P41240

FUSE

6.35 x 31.5

1шт.

P41227

FUSE

6.35 x 31.5

1шт.

P40560

LAMP

BULB

1шт.

P641607

SIGHTGLASS

WARNING LIGHT

1шт.

P641649

SIGHTGLASS

WARNING LIGHT

1шт.

P1526314

PLATE

1шт.

P34703

WASHER

1шт.

P34107

NUT

1шт.

P241140

RELAY

1шт.

P40841

SLIDER

1шт.

P34107

NUT

2шт.

P34703

WASHER

2шт.

P641614

SPACER

4шт.

P34107

NUT

2шт.

P34703

WASHER

2шт.

P34703

WASHER

4шт.

P34107

NUT

4шт.

Выбрано товаров: 48