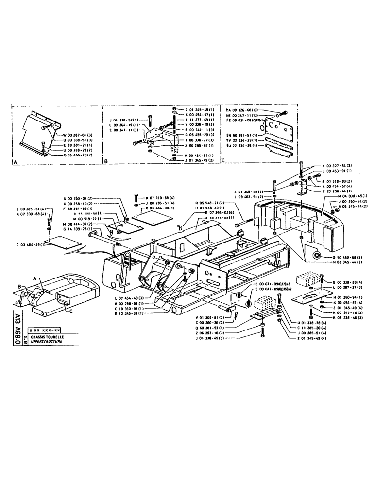
Запчасти Case 160CL (013) - UPPERSTRUCTURE (05) - UPPERSTRUCTURE CHASSIS

Схема запчастей Case 160CL - (013) - UPPERSTRUCTURE (05) - UPPERSTRUCTURE CHASSIS
FIT
1:1
100%

Артикул

Название

Примечание

Количество

P28701

WASHER

14.5 x 10 x 30

3шт.

P33851

SCREW

/BOLT, M14 x 35

3шт.

P8928121

HOOD

PLATE

1шт.

P33828

SCREW

/BOLT, M10 x 40

2шт.

P545520

WASHER

11 x 7 x 25

2шт.

P433857

SCREW

/BOLT, M14 x 200

1шт.

P926419

SUPPORT

1шт.

P34711

WASHER

3шт.

P134549

SAFETY NUT

1шт.

P45457

WASHER

32 x 15 x 16

1шт.

P1127769

TRUSS ROD

TIE BAR

1шт.

P33829

SCREW

/BOLT, M10 x 30

3шт.

P34711

WASHER

3шт.

P545520

WASHER

11 x 7 x 25

3шт.

11106231

BOLT,Hex, M10 x 1.5 x 25mm, Cl 10.9

BOLT, Hex, M10 x 25, 10.9, Full Thd

3шт.

P28587

SPACER

1шт.

P45457

WASHER

32 x 15 x 16

1шт.

P134549

SAFETY NUT

2шт.

11106231

BOLT,Hex, M10 x 1.5 x 25mm, Cl 10.9

BOLT, , REW/BOLTno longer exists on new model Hex, M10 x 25, 10.9, Full Thd

13шт.

P34711

WASHER

no longer exists on new model

13шт.

P3109

GASKET

SEAL, no longer exists on new model

1шт.

P6028151

HOOD

PLATE, no longer exists on mew model

1шт.

P2223429

HOOD

PLATE, no longer exists on new model

1шт.

P2223428

HOOD

PLATE, no longer exists on new model

1шт.

P28551

WASHER

15 x 10 x 30

4шт.

P733088

SCREW

/BOLT, M14 x 40

4шт.

P348429

HOOD

PLATE

1шт.

P35001

WASHER

2шт.

P35510

SPLIT PIN

2 x 20

2шт.

P8928168

DOOR

1шт.

P51922

LATCH

CATCH

1шт.

P41434

STOP

2шт.

P1430928

HEADED PIN

PIN, HEADED

1шт.

P733088

SCREW

/BOLT, M14 x 40

4шт.

P28551

WASHER

15 x 10 x 30

4шт.

P348430

PLATE

1шт.

P745440

WASHER

71 x 140 x 4

3шт.

P28552

WASHER

21 x 10 x 40

1шт.

P1033093

SCREW

/BOLT, M20 x 2.5

1шт.

P1334533

NUT

M60 x 5.5

1шт.

P554821

TRUSS ROD

TIE BAR

2шт.

P154820

CHASSIS

1шт.

P736602

HINGE

6шт.

P130981

LARGE PIN

PIN

2шт.

P36020

SPLIT PIN/SAFETY PIN

2шт.

P6028153

SUPPORT

1шт.

P629210

BUSHING

3шт.

P133845

SCREW

/BOLT, M18 x 80

3шт.

P134549

SAFETY NUT

2шт.

P946391

WASHER

42 x 100 x 15

2шт.

P3109

GASKET

SEAL

1шт.

P3109

GASKET

SEAL

1шт.

P32784

SCREW

/BOLT, M39 x 350

3шт.

P946391

WASHER

42 x 100 x 15

1шт.

P33883

SCREW

/BOLT, M14 x 50

2шт.

P45457

WASHER

32 x 15 x 16

4шт.

P2325644

PLATE

1шт.

P403845

BALANCER

COUNTERWEIGHT

1шт.

P35014

WASHER

2шт.

P834544

SAFETY NUT

2шт.

P5046068

SEAL

2шт.

P834544

SAFETY NUT

3шт.

P33883

SCREW

/BOLT, M14 x 50

4шт.

P28737

WASHER

40 x 20 x 8

3шт.

P726094

SUPPORT

1шт.

P45457

WASHER

32 x 15 x 16

4шт.

P134549

SAFETY NUT

4шт.

P34716

WASHER

3шт.

P133846

SCREW

/BOLT, M18 x 45

3шт.

P133878

SCREW

/BOLT, M14 x 70

4шт.

P1128520

SPACER

4шт.

P28551

WASHER

15 x 10 x 30

4шт.

P134549

SAFETY NUT

4шт.

Выбрано товаров: 73