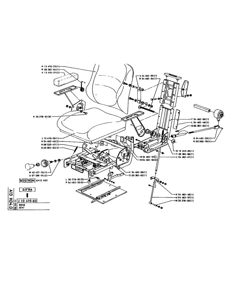
Запчасти Case 160CL (027) - SEAT (05) - UPPERSTRUCTURE CHASSIS

Схема запчастей Case 160CL - (027) - SEAT (05) - UPPERSTRUCTURE CHASSIS
FIT
1:1
100%

Артикул

Название

Примечание

Количество

P1347025

BACKREST

BACK

1шт.

P38264

SPRING

1шт.

P1347027

2шт.

P3627891

LARGE PIN

PIN

9шт.

P1347026

CUSHION

1шт.

P5446246

SKID/SHOE

2шт.

P852047

HANDLE

1шт.

P38263

SPRING

2шт.

P4042776

HANDWHEEL

WHEEL

1шт.

P739974

STOP

2шт.

P3627892

LARGE PIN

PIN

2шт.

P5446252

STOP

1шт.

P5446255

SHOCK ABSORBER

1шт.

P5446254

STUD

1шт.

P5446251

SHIM KIT

SET OF SHIMS, kit number

1шт.

P5446258

LEVER

1шт.

P38265

SPRING

1шт.

P5446256

FRAME

1шт.

P5446249

LARGE PLATE

PLATE

2шт.

P38263

SPRING

1шт.

P5446253

CLEVIS

FORK

1шт.

P36076

SPLIT PIN/SAFETY PIN

SPLIT PIN/SAFET

1шт.

P1634565

NUT

1шт.

P38266

SPRING

1шт.

P5446247

GUIDE

1шт.

P5446248

CHANNEL

U PIECE

1шт.

P5446257

STEM

ROD

1шт.

P3627893

LARGE PIN

PIN

1шт.

Выбрано товаров: 28